Ikon ISP61 handleiding

31 pagina's
PDF beschikbaar

Handleiding

Je bekijkt pagina 27 van 31
Service and Installation Manual
27
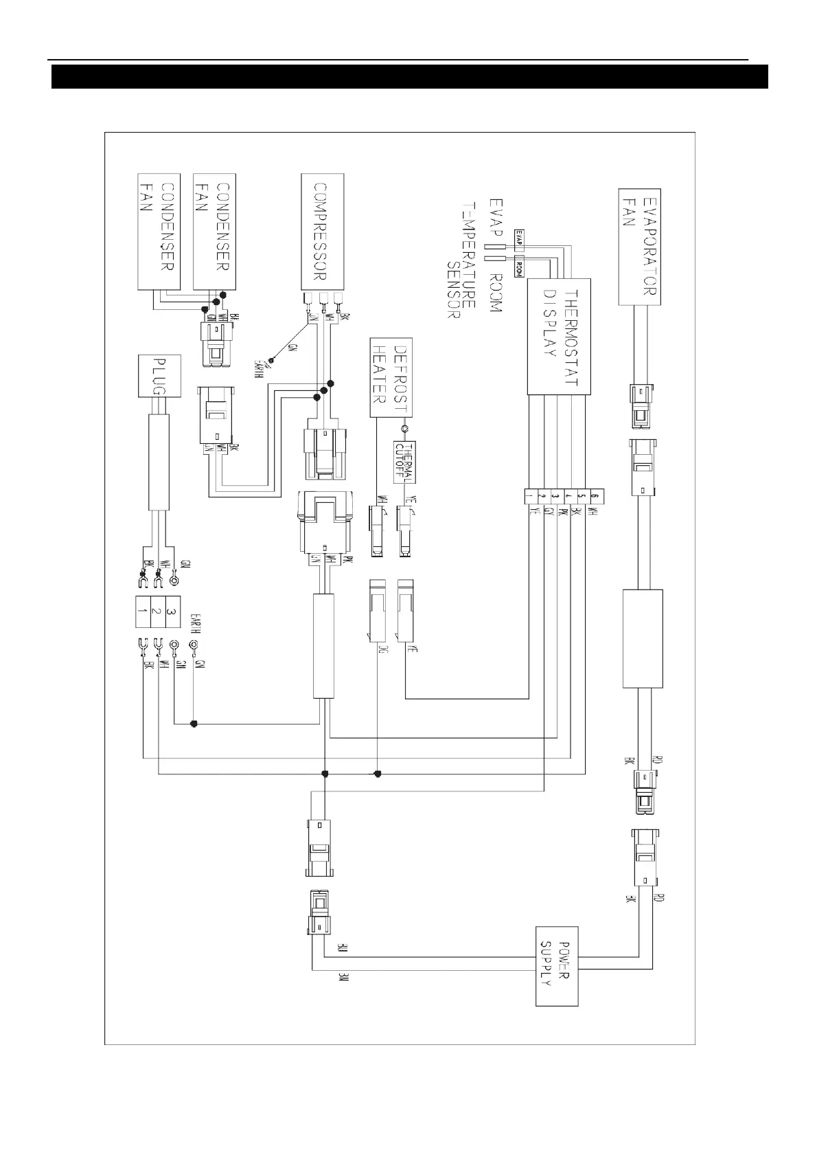
WIRING DIAGRAM
MODEL: IUC28F

Bekijk gratis de handleiding van Ikon ISP61, stel vragen en lees de antwoorden op veelvoorkomende problemen, of gebruik onze assistent om sneller informatie in de handleiding te vinden of uitleg te krijgen over specifieke functies.

Productinformatie

MerkIkon
ModelISP61
CategorieNiet gecategoriseerd
TaalNederlands
Grootte4054 MB