Ikon ISP29 handleiding

31 pagina's
PDF beschikbaar

Handleiding

Je bekijkt pagina 28 van 31
Service and Installation Manual
28
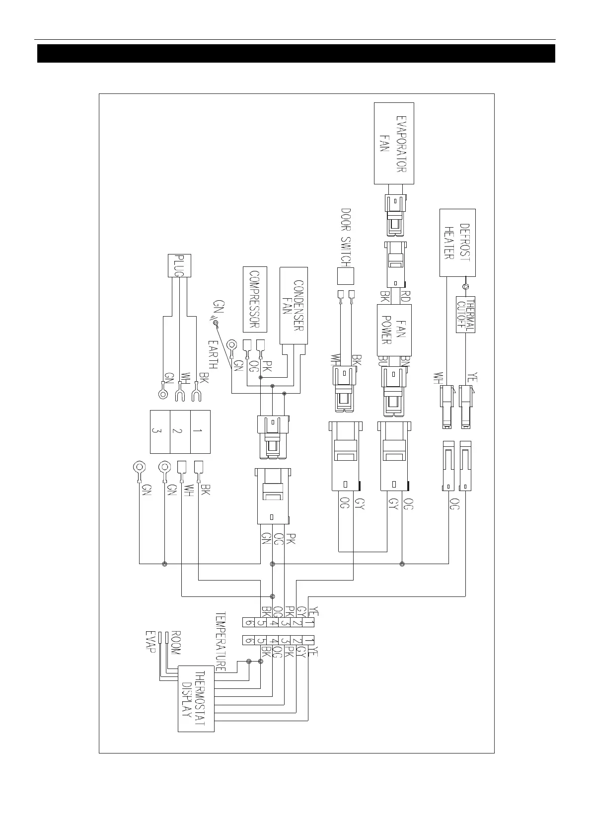
WIRING DIAGRAM
MODEL: IUC28F

Bekijk gratis de handleiding van Ikon ISP29, stel vragen en lees de antwoorden op veelvoorkomende problemen, of gebruik onze assistent om sneller informatie in de handleiding te vinden of uitleg te krijgen over specifieke functies.

Productinformatie

MerkIkon
ModelISP29
CategorieNiet gecategoriseerd
TaalNederlands
Grootte4054 MB