Ikon IPP71 handleiding

31 pagina's
PDF beschikbaar

Handleiding

Je bekijkt pagina 23 van 31
Service and Installation Manual
23
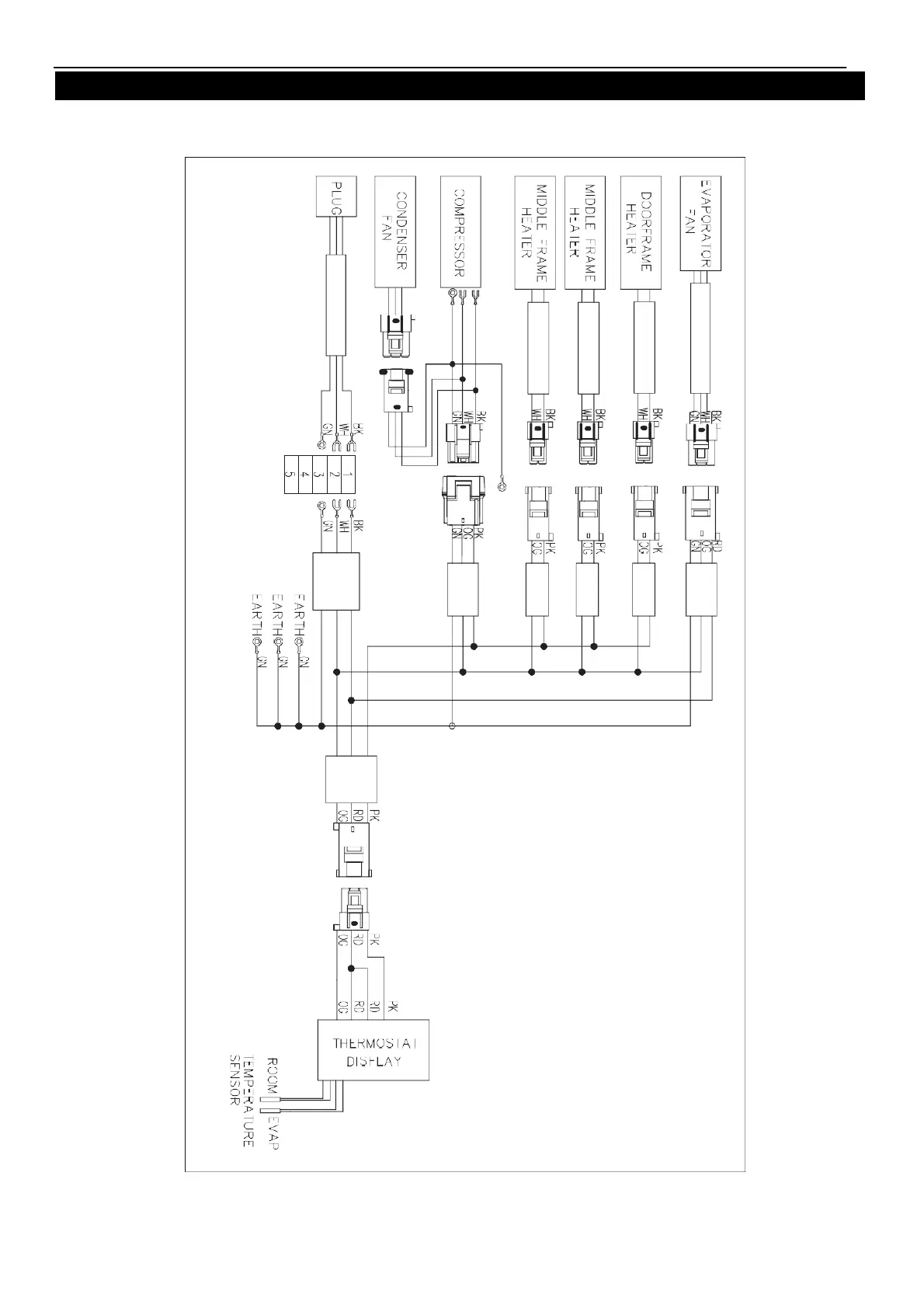
MODEL: ISP72 / ISP72M
WIRING DIAGRAM

Bekijk gratis de handleiding van Ikon IPP71, stel vragen en lees de antwoorden op veelvoorkomende problemen, of gebruik onze assistent om sneller informatie in de handleiding te vinden of uitleg te krijgen over specifieke functies.

Productinformatie

MerkIkon
ModelIPP71
CategorieNiet gecategoriseerd
TaalNederlands
Grootte4054 MB