Handleiding
Je bekijkt pagina 16 van 40

ENGLISH
BEFORE YOU OPERATE THE MONITOR 11
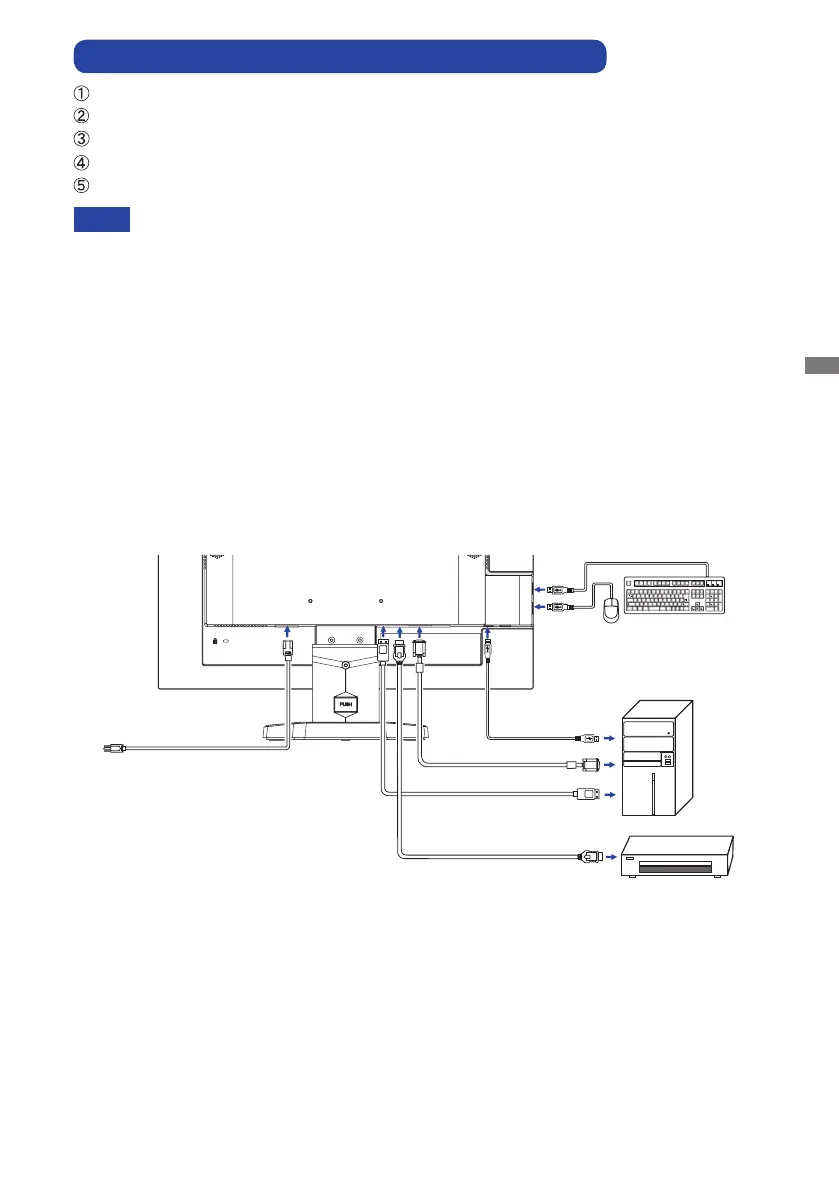
CONNECTING YOUR MONITOR : ProLite XU2495WSU
Ensurethatboththecomputerandthemonitorareswitchedo.
Connect the computer to the monitor with the signal cable.
Connect the computer to the monitor with the USB Cable.
ConnectthePowerCabletothemonitorrstandthentothepowersupply.
Turn on your monitor and computer.
[Example of Connection]
<Back>
NOTE
The signal cables used for connecting the computer and monitor may vary with the
type of computer used. An incorrect connection may cause serious damage to both
the monitor and the computer. The cable supplied with the monitor is for a standard
connector. If a special cable is required please contact your local iiyama dealer or
regionaliiyamaoce.
For connection to Macintosh computers, contact your local iiyama dealer or regional
iiyamaoceforasuitableadaptor.
Makesureyoutightenthengerscrewsateachendofthesignalcable.
The Class I pluggable equipment Type A must be connected to protective earth.
The socket-outlet shall be installed near the equipment and shall be easily accessible.
Excessive sound pressure from ear-/headphones can cause hearing damage/hearing loss.
Power Cable (Accessory)
Computer
VGA Cable (Not included)*
HDMI Cable (Accessory)
USB Cable (Accessory)
Mouse
Keyboard
DisplayPort Cable (Not included)
AV Equipment
* VGA cable is not supplied with the monitor. If you use low quality VGA cable, it may cause a result
of electro-magnetic interference. Please contact the iiyama Support Centre in your country if you
wish to connect the monitor via the VGA input.
Bekijk gratis de handleiding van Iiyama ProLite XU2495WSU, stel vragen en lees de antwoorden op veelvoorkomende problemen, of gebruik onze assistent om sneller informatie in de handleiding te vinden of uitleg te krijgen over specifieke functies.
Productinformatie
| Merk | Iiyama |
| Model | ProLite XU2495WSU |
| Categorie | Monitor |
| Taal | Nederlands |
| Grootte | 4095 MB |
Caratteristiche Prodotto
| Kleur van het product | Zwart |
| Energie-efficiëntieklasse (oud) | A+ |
| Stroom | 1.1 A |
| Aan/uitschakelaar | Ja |
| In hoogte verstelbaar | Nee |







