Handleiding
Je bekijkt pagina 20 van 39

NEDERLANDS
VOORDAT U DE MONITOR GEBRUIKT 17
DE MONITOR AANSLUITEN
Controleer of zowel computer als monitor zijn uitgeschakeld.
Sluit de computer aan op de monitor met de signaalkabel.
Sluit de computer aan op de monitor met de USB-kabel.
Sluit de stroomkabel eerst op de monitor aan en vervolgens op de stroombron.
De monitor (Aan/uit schakelaar en Aan/uit knop) en computer kunnen nu aangezet worden.
De signaalkabel voor het aansluiten van computer en monitor kan verschillen,
afhankelijk van het type computer. Een onjuiste verbinding kan zowel monitor
als computer ernstig beschadigen. De bij de monitor geleverde kabel is voor een
standaard aansluiting. Als een speciale kabel nodig is neemt u contact op met
uw iiyama-dealer of plaatselijk iiyama-kantoor.
Voor aansluiting op Macintoshcomputers, neemt u contact op met uw iiyama-
dealer of plaatselijk iiyama-kantoor voor aanschaf van een geschikte adapter.
Controleer of de schroeven aan beide uiteindes van de signaalkabel zijn vastgedraaid.
Wacht 8 seconden nadat de USB-kabel aangesloten is waarna de touch-
interface klaar is voor gebruik. De touch-interface kan bediend worden met uw
stylus, vinger of elk ander (niet krassend en pen-gelijkend) voorwerp.
Apparatuur van het type klasse I moet worden aangesloten op een geaard contact.
Het stopcontact moet zich in de buurt van het apparaat bevinden en gemakkelijke
toegankelijk zijn.
Overmatige geluidsdruk van hoofdtelefoons kan gehoorbeschadiging veroorzaken.
OPMERKING
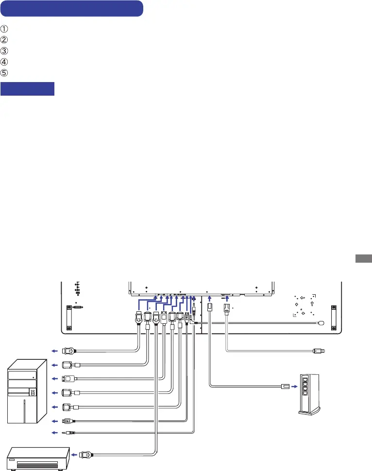
[Voorbeeld van aansluiting]
<Achterkant>
* Kabel wordt niet bij de monitor geleverd. Wanneer u een kabel van slechte kwaliteit gebruikt,
kunnen elektromagnetische storingen optreden. Gelieve contact met de iiyama Support Centre in
uw eigen land op te nemen, als u de monitor via de VGA of DVI- ingang wenst aan te sluiten.
DisplayPort-kabel (Bijgeleverd)
Audio-kabel (Niet inbegrepen)
VGA-kabel (Niet inbegrepen)*
DVI-D-kabel (Niet inbegrepen)*
HDMI-kabel (Niet inbegrepen)
RS-232C-kabel (Niet inbegrepen)
USB-kabel (Bijgeleverd)
IR-verleng-kabel (Bijgeleverd)
Stroomkabel (Bijgeleverd)
LAN(RJ45)-kabel (Niet inbegrepen)
Router
Computer
HDMI-kabel (Bijgeleverd)
Audio-visueel
randapparatuur
Bekijk gratis de handleiding van Iiyama ProLite TF6538UHSC, stel vragen en lees de antwoorden op veelvoorkomende problemen, of gebruik onze assistent om sneller informatie in de handleiding te vinden of uitleg te krijgen over specifieke functies.
Productinformatie
| Merk | Iiyama |
| Model | ProLite TF6538UHSC |
| Categorie | Monitor |
| Taal | Nederlands |
| Grootte | 3446 MB |
Caratteristiche Prodotto
| Kleur van het product | Zwart |
| Gewicht | 59800 g |
| Breedte | 1530.4 mm |
| Diepte | 67.6 mm |
| Hoogte | 905.6 mm |







