Handleiding
Je bekijkt pagina 16 van 45

NEDERLANDS
12 VOORDAT U DE MONITOR GEBRUIKT
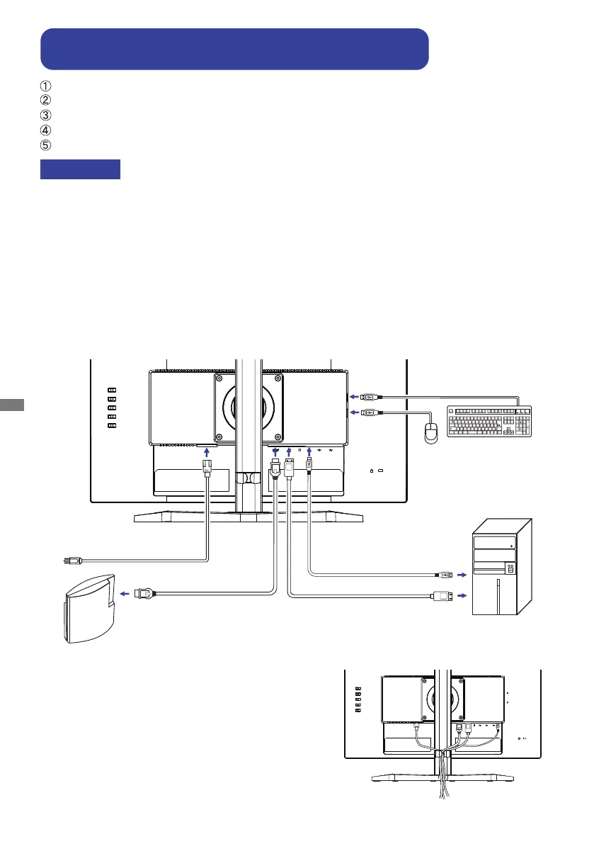
[ Verzamel kabels ]
Steek de kabels door het Kabel Houder om ze te bundelen.
[Voorbeeld van aansluiting]
<Achterkant>
DE MONITOR AANSLUITEN : G-MASTER GB2470HSU /
G-MASTER GB2770HSU / G-MASTER GB2770QSU
Controleer of zowel computer als monitor zijn uitgeschakeld.
Sluit de computer aan op de monitor met de signaalkabel.
Sluit de computer aan op de monitor met de USB-kabel.
Sluit de stroomkabel eerst op de monitor aan en vervolgens op de stroombron.
De monitor en computer kunnen nu aangezet worden.
OPMERKING
Zorg ervoor dat de gebouwinstallatie een installatieautomaat van 120/240V, 20A
(maximum) heeft.
De signaalkabel voor het aansluiten van computer en monitor kan verschillen,
afhankelijk van het type computer. Een onjuiste verbinding kan zowel monitor
als computer ernstig beschadigen. De bij de monitor geleverde kabel is voor een
standaard aansluiting. Als een speciale kabel nodig is neemt u contact op met
uw iiyama-dealer of plaatselijk iiyama-kantoor.
Apparatuur van het type klasse I moet worden aangesloten op een geaard contact.
Het stopcontact moet zich in de buurt van het apparaat bevinden en gemakkelijke
toegankelijk zijn.
Overmatige geluidsdruk van hoofdtelefoons kan gehoorbeschadiging veroorzaken.
Muis
Toetsenbord
Game-console enz.
HDMI-kabel (Bijgeleverd)
Computer
DisplayPort-kabel (Bijgeleverd)
USB-kabel (Bijgeleverd)
Stroomkabel (Bijgeleverd)
Bekijk gratis de handleiding van Iiyama G-Master Red Eagle G2470HSU, stel vragen en lees de antwoorden op veelvoorkomende problemen, of gebruik onze assistent om sneller informatie in de handleiding te vinden of uitleg te krijgen over specifieke functies.
Productinformatie
| Merk | Iiyama |
| Model | G-Master Red Eagle G2470HSU |
| Categorie | Monitor |
| Taal | Nederlands |
| Grootte | 4188 MB |
Caratteristiche Prodotto
| Kleur van het product | Zwart |
| Gewicht verpakking | 4800 g |
| Breedte verpakking | 610 mm |
| Diepte verpakking | 146 mm |
| Hoogte verpakking | 413 mm |







