IFM PG1715 handleiding
Handleiding
Je bekijkt pagina 42 van 61

PG17xx Electronic manometer
42 © ifm electronic gmbh 11601190 / 01 07 / 2025
• nPn: The switching output is negative switching.
11.4.4.1 Parameter setting via unit keys: Output polarity
Call up the menu EF > CFG.
Select P-n and set PnP or nPn.
11.4.5 Zero calibration
If there is a systematic deviation between the measured value and the actual process value during pres-
sure measurement, this measurement inaccuracy can be corrected using the correction factor coF.P.
• coF.P: parameter for manual setting of the correction factor
• tcoF: parameter for teaching the correction factor
The internal zero point is shifted by the set value.
Changing coF.P or tcoF affects the output signal.
Readjust ASP and AEP if necessary.
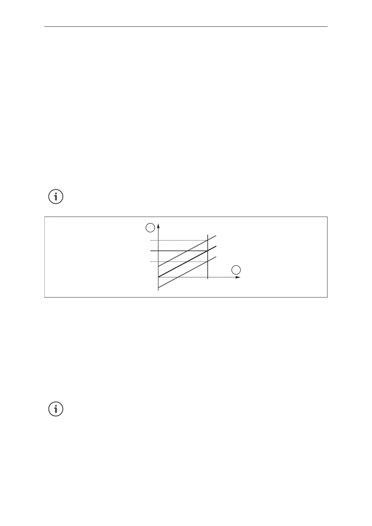
1
2
MEW
105 %
V1
V0
V2
100 %
95 %
Fig.20: Zero-point calibration (calibration offset)
1: Output signal
2: Process value
MEW: Final value of the measuring range
V0: Measurement characteristic at factory setting
V1: Measurement characteristic after offset by +5% of measuring range end value
V2: Measurement characteristic after offset by -5% of measuring range end value
Setting range:
-5 %...+5 % of the measuring range end value (MEW)
For PG1x09: -5 %...+5 % of the measuring span (-1000 mbar...+1000 mbar)
The parameter is reset to the factory setting both via an application reset and a back-to-box re-
set.
11.4.5.1 Parameter setting via unit keys: Zero calibration
Call up the menu EF > CFG.
Select coF.P and set the value.
The internal zero point is shifted by the set value.
Bekijk gratis de handleiding van IFM PG1715, stel vragen en lees de antwoorden op veelvoorkomende problemen, of gebruik onze assistent om sneller informatie in de handleiding te vinden of uitleg te krijgen over specifieke functies.
Productinformatie
| Merk | IFM |
| Model | PG1715 |
| Categorie | Niet gecategoriseerd |
| Taal | Nederlands |
| Grootte | 5338 MB |







