IFM DW3003 handleiding
Handleiding
Je bekijkt pagina 9 van 32

Evaluation unit for monitoring and converting frequency signals DW3003
9
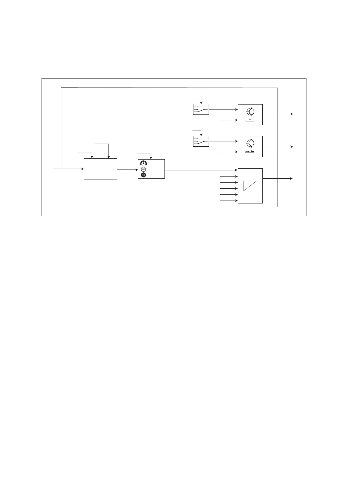
4 Function
The device receives the pulses from external sensors, measures the pulse interval and calculates the
input frequency. The monitoring result is output on the display, via two switching outputs, an analogue
output and IO-Link process data.
MDC1
SSC1.1
SSC1.2
[ou1]
[ou2]
OFF
SSC1.1
SSC1.2
OFF
SSC1.1
SSC1.2
PDV1
[FOU1]
SSC1.x
[FOU2]
[dSt.M1]
[uni]
[PrSC1]
PDV1
4...20 mA
0...10 V
OUT1
IN1
SSC1.x
OUT2
Hz
rpm
[ASP3]
[AEP3]
[dAA3]
[FOU3]
[ou3]
OUT3
¹⁄x
Fig.3: Block diagram
The parameters of the device can be set locally via the display and the device keys. In addition, the
device can be configured via IO-Link.
4.1 Supply types
The following supply types are available (Ò Electrical connection/12):
• DC operation with supply from IO-Link master and IO-Link operation
• DC operation without IO-Link
• AC operation without IO-Link
Voltage ranges Ò Technical data at www.ifm.com
4.2 Application as an IO-Link device
4.2.1 General information
The unit has an IO-Link communication interface which requires an IO-Link capable module (IO-Link
master).
The IO-Link interface allows direct access to the process and diagnostic data and enables setting of
the parameters of the unit during operation.
You will find further information about IO-Link and all the necessary information about the required IO-
Link hardware and software at:
www.io-link.ifm
Bekijk gratis de handleiding van IFM DW3003, stel vragen en lees de antwoorden op veelvoorkomende problemen, of gebruik onze assistent om sneller informatie in de handleiding te vinden of uitleg te krijgen over specifieke functies.
Productinformatie
| Merk | IFM |
| Model | DW3003 |
| Categorie | Niet gecategoriseerd |
| Taal | Nederlands |
| Grootte | 2679 MB |







