Icom ID-RP1200VD handleiding
Handleiding
Je bekijkt pagina 17 van 40

3-6
は
じ
め
に
15
14
13
12
11
10
9
8
7
6
5
4
3
2
1
16
17
18
19
20
安
全
上
の
ご
注
意
さ
く
い
ん
21
設置と接続
3
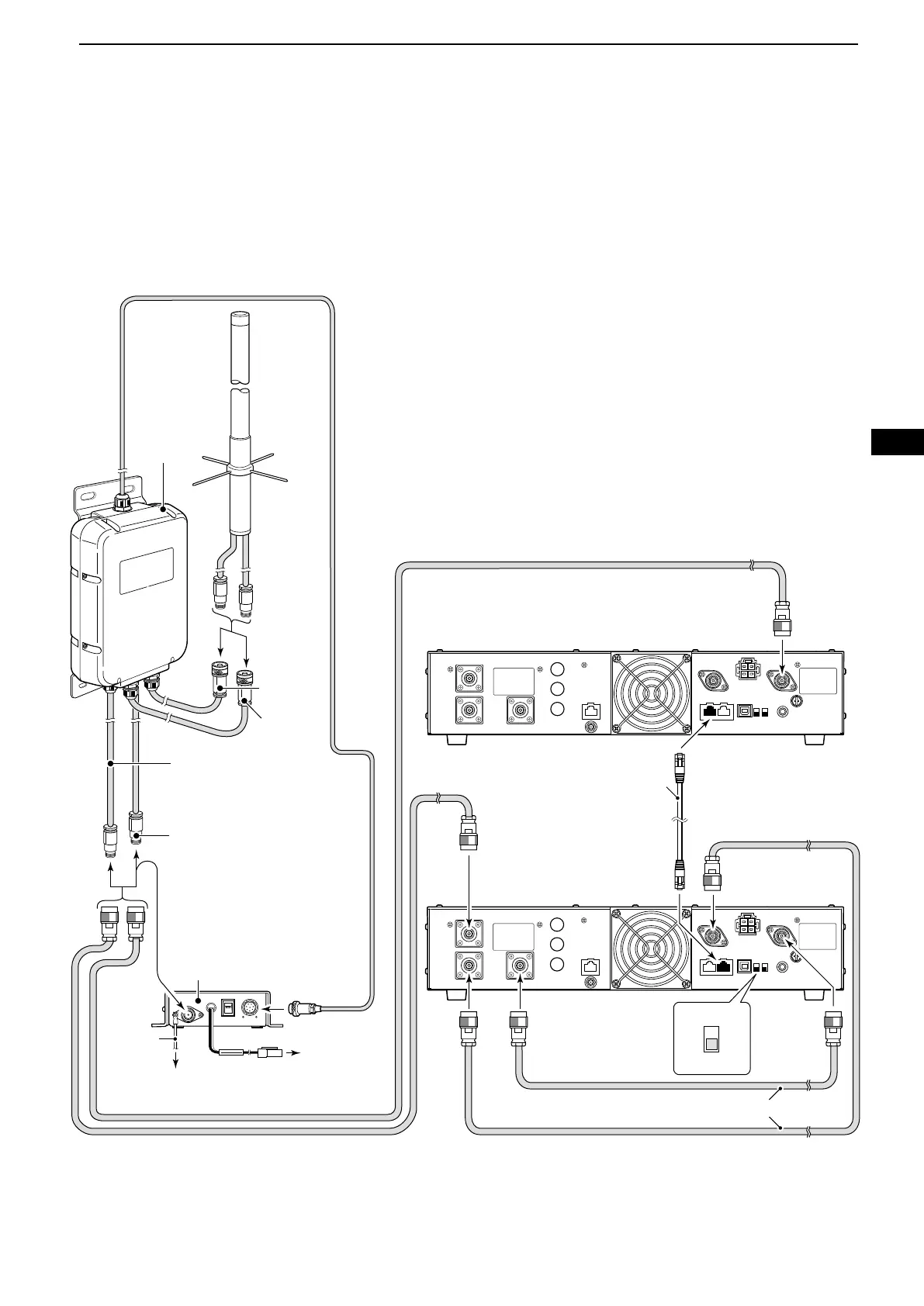
■ID-RP1200VDとUR-2の接続
DVモードとDDモードのID-RP1200VDを併用する場合、キャンセラユニット(別売品:UR-2)をアンテナ(別売品:
AH-108)の直下に接続することで、一方のダウンリンク信号がもう一方の本製品に電波干渉を与える現象を低減できます。
※AH-108だけではアイソレーションレベルが不足するときなど、UR-2をと併せてご使用になることを推奨します。
※ID-RP1200VD(DDモード)を既存の1.2GHz帯FMレピータと併用するときにも使用できます。
※UR-2接続時の調整や設置、AH-108の組み立てについては、7章をご覧ください。
[CONT I/O]
[RPT]
[DUPLEXER COM]
アース線
(市販品)
UR-2
(キャンセラ
ユニット)
AH-108
UR-2(コントローラーユニット)
[CONTROL]
[TX ANT]
★
DC13.8Vへ
[RPT2]
UR-2調整時は、[RPT2]と
接続するID-RP1200VDの
同軸ケーブルをコントロー
ラーユニットの[RF TEST]
とつなぎ替える。
[RPT1]
電波干渉を与えている側の
ID-RP1200VDと接続する。
電波干渉を受けるID-RP1200VDの
[GND]端子に接続する。
★DDモ ー ド 時、[TX ANT]は、
送受信用アンテナコネクター
として動作します。
[ANT1]
[ANT2]
[RPT1]
LANケーブル(付属品)
ID-RP1200VD
(DDモード)
ID-RP1200VD
(DVモード)
[RPT2]
「デュプレクサーとアンテナの接続」を参照(P.3-4)
Bekijk gratis de handleiding van Icom ID-RP1200VD, stel vragen en lees de antwoorden op veelvoorkomende problemen, of gebruik onze assistent om sneller informatie in de handleiding te vinden of uitleg te krijgen over specifieke functies.
Productinformatie
Merk | Icom |
Model | ID-RP1200VD |
Categorie | Niet gecategoriseerd |
Taal | Nederlands |
Grootte | 8711 MB |