I-PRO WV-U15750-V3L handleiding
Handleiding
Je bekijkt pagina 49 van 147

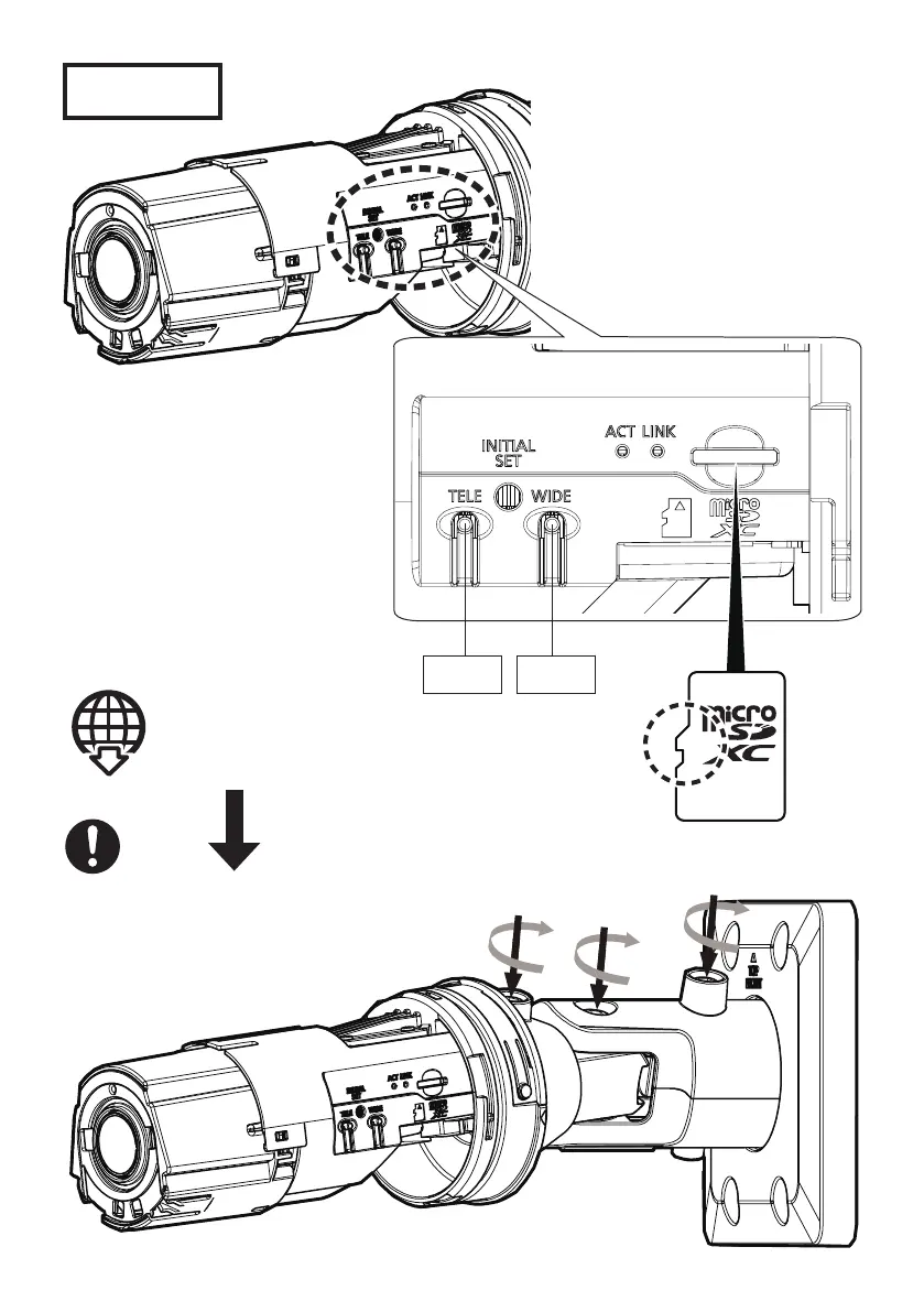
Étape 8
* Régler le rapport de zoom en utilisant le
bouton TELE et le bouton WIDE tout en
regardant l’écran.
Bouton
TELE+AF
Bouton
WIDE+AF
• Manuel d’instructions [Formater]
• Utiliser une carte de mémoire
microSD destinée aux caméra
i-PRO.
Remarque:
• Environ 3 secondes après avoir relâché
le bouton TELE ou le bouton WIDE, la
fonction de mise au point automatique
sera automatiquement exécutée. Ne
pas toucher la caméra au cours de
l’exécution de la fonction de mise au
point automatique.
• Si nécessaire, revenez à l’étape 6 et
réglez à nouveau l’orientation de la
caméra.
②
①
Un clic se fait entendre.
Lors de l’utilisation d’une
carte de mémoire microSD
Couple de serrage recommandé:
Vis de blocage de balayage panoramique
(vis PAN): 2,15 N·m {1,59 lbf·ft}
Vis de blocage d’inclinaison
(vis TILT): 2,15 N·m {1,59 lbf·ft}
Vis de blocage de mouvement brusque
(vis YAW): 2,15 N·m {1,59 lbf·ft}
Vis de blocage
de mouvement
brusque
(vis YAW)
Vis de blocage de
balayage panoramique
(vis PAN)
Vis de blocage
d’inclinaison
(vis TILT)
49
Bekijk gratis de handleiding van I-PRO WV-U15750-V3L, stel vragen en lees de antwoorden op veelvoorkomende problemen, of gebruik onze assistent om sneller informatie in de handleiding te vinden of uitleg te krijgen over specifieke functies.
Productinformatie
Merk | I-PRO |
Model | WV-U15750-V3L |
Categorie | Bewakingscamera |
Taal | Nederlands |
Grootte | 18013 MB |