Hydra Kool KGV-MR-S handleiding

88 pagina's
PDF beschikbaar

Handleiding

Je bekijkt pagina 66 van 88
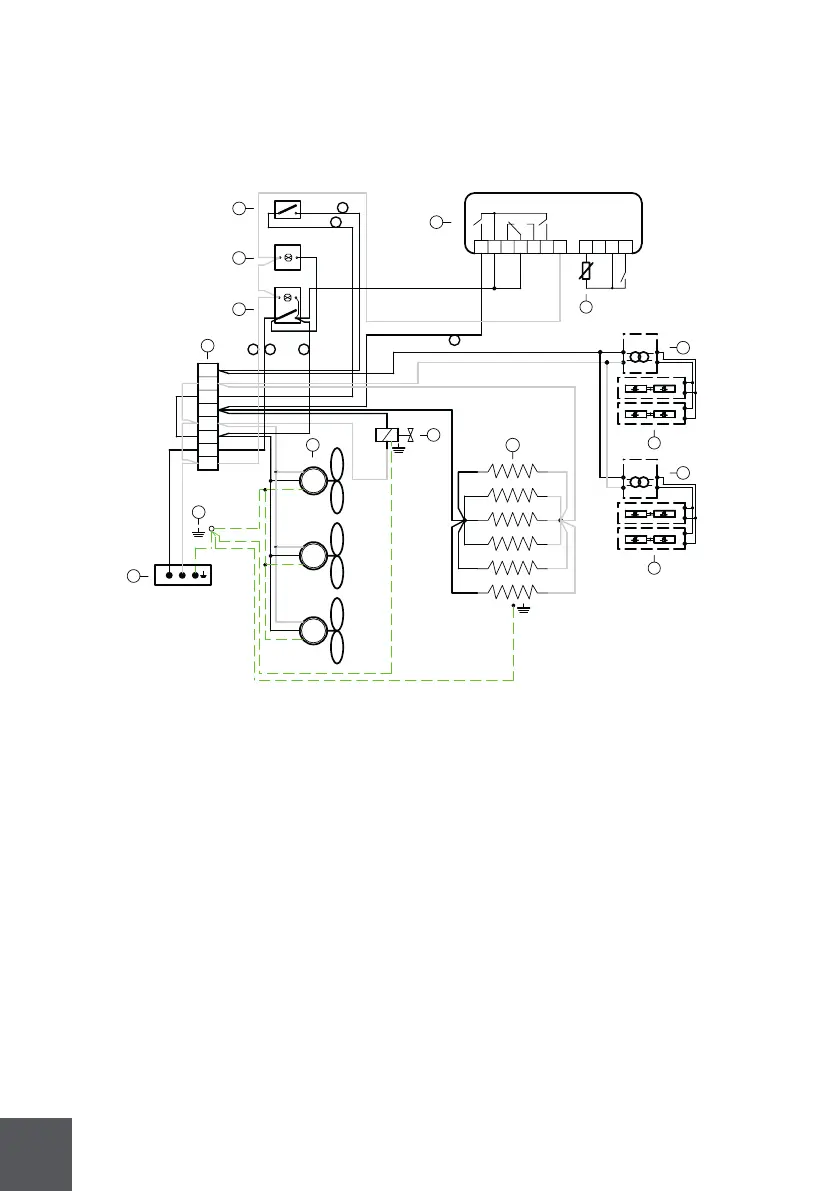
KGV-MR-3-R
IR33F0AHE0
1
1098
1
7
11
DI
R3
POWER
N
SUPPLY
R2
65432 7
6
1
R1
2
39
6
3
20
21
22
1
12
M
45
9
976810543
11
M
M
NL
29
37
30
30
29
9
3 A
3 A
66

Bekijk gratis de handleiding van Hydra Kool KGV-MR-S, stel vragen en lees de antwoorden op veelvoorkomende problemen, of gebruik onze assistent om sneller informatie in de handleiding te vinden of uitleg te krijgen over specifieke functies.

Productinformatie

MerkHydra Kool
ModelKGV-MR-S
CategorieKoelkast
TaalNederlands
Grootte9335 MB