Hydra Kool KGV-MR-S handleiding

88 pagina's
PDF beschikbaar

Handleiding

Je bekijkt pagina 58 van 88
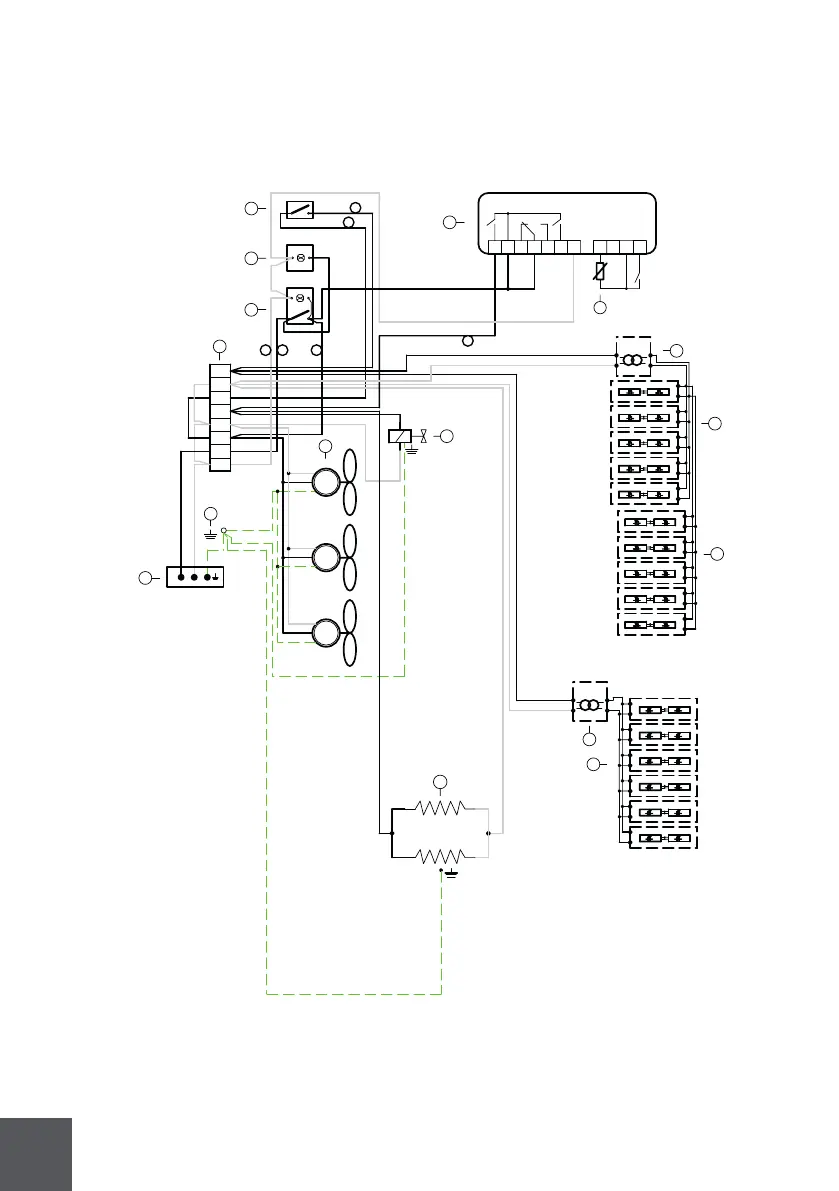
KGV-MD-3-R
DI
9
NL
6
11
543 78910
9
M
M
12
M
22
5 4 1
39
2
37
7
21
20
6
3
6
21
R1
IR33F0AHE0
POWER
SUPPLY
43
N
657
R3R2
98
1 1
10 11
30
29
5 A
30
5 A
29
30
58

Bekijk gratis de handleiding van Hydra Kool KGV-MR-S, stel vragen en lees de antwoorden op veelvoorkomende problemen, of gebruik onze assistent om sneller informatie in de handleiding te vinden of uitleg te krijgen over specifieke functies.

Productinformatie

MerkHydra Kool
ModelKGV-MR-S
CategorieKoelkast
TaalNederlands
Grootte9335 MB