Hydra Kool KGV-MR-S handleiding

88 pagina's
PDF beschikbaar

Handleiding

Je bekijkt pagina 56 van 88
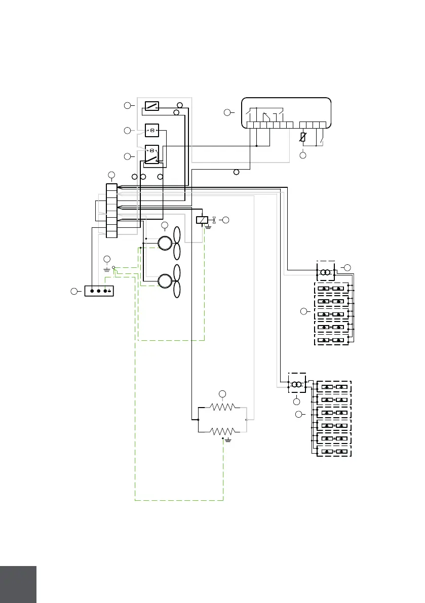
9
M
NL
6345
11
10879
9
54
22
M
12
1
21
20
6
3
DI
39
37
2
7
6
1 2 3 45
R1 R2
10
IR33F0AHE0
POWER
76
SUPPLY
N
1
8 9
R3
11
1
30
5 A
29
3 A
29
30
KGV-MD-2-R
56

Bekijk gratis de handleiding van Hydra Kool KGV-MR-S, stel vragen en lees de antwoorden op veelvoorkomende problemen, of gebruik onze assistent om sneller informatie in de handleiding te vinden of uitleg te krijgen over specifieke functies.

Productinformatie

MerkHydra Kool
ModelKGV-MR-S
CategorieKoelkast
TaalNederlands
Grootte9335 MB