Hydra Kool KGV-MD-S handleiding

88 pagina's
PDF beschikbaar

Handleiding

Je bekijkt pagina 64 van 88
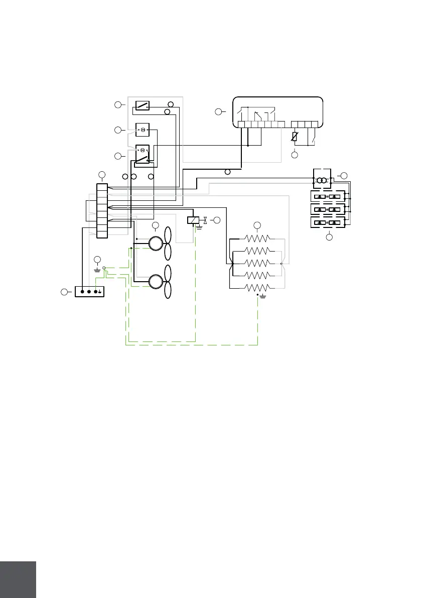
KGV-MR-2-R
37
L N
M
11
5 108 9
9
M
12
1
22
21
20
3
6
39
2
R1
1
6
72
R2
SUPPLY
N
POWER
R3
DI
11
7
1
8
1
IR33F0AHE0
29
30
9
5 A
3
4
5 6
9
10
3
4
6
7
4
5
64

Bekijk gratis de handleiding van Hydra Kool KGV-MD-S, stel vragen en lees de antwoorden op veelvoorkomende problemen, of gebruik onze assistent om sneller informatie in de handleiding te vinden of uitleg te krijgen over specifieke functies.

Productinformatie

MerkHydra Kool
ModelKGV-MD-S
CategorieKoelkast
TaalNederlands
Grootte9335 MB