Hydra Kool KFM-SO-120-S handleiding
Handleiding
Je bekijkt pagina 24 van 40

24
KFM series intended for deli, meat and fish are type 1 equipment - 75°F/55%RH.
Temperature of deli, meat and fish cases is set for 32°F.
The decks have a 31 lb/ft
loading limit.
Glass shelves are for non refrigerated products only and have a 5,5 lb/ft
loading limit.
Model
Dimensions
(LxDxH in inches)
Service
dimensions
(LxDxH in inches)
6,0/2,5
8,0/3,4
9,3/4,0
12,1/5,1
16,0
18,6
6,0/2,5
8,0/3,4
9,3/4,0
12,1/5,1
16,0
18,6
6,0/2,5
8,0/3,4
9,3/4,0
12,1/5,1
16,0
18,6
Volume (ft³)
40³⁄'' x 49⁹⁄'' x 61⁄''
52³⁄'' x 49⁹⁄'' x 61⁄''
60⁄'' x 49⁹⁄'' x 61⁄''
77⁹⁄'' x 49⁹⁄'' x 61⁄''
101³⁄'' x 49⁹⁄'' x 61⁄''
116⁄'' x 49⁹⁄'' x 61⁄''
40³⁄'' x 44¹⁄'' x 61⁄''
52³⁄'' x 44¹⁄'' x 61⁄''
60⁄'' x 44¹⁄'' x 61⁄''
77⁹⁄'' x 44¹⁄'' x 61⁄''
101³⁄'' x 44¹⁄''
x 61⁄''
116⁄'' x 44¹⁄'' x 61⁄''
40³⁄'' x 34¹¹⁄'' x 61⁄''
52³⁄'' x 34¹¹⁄'' x 61⁄''
60¹⁄'' x 34¹¹⁄'' x 61⁄''
77⁹⁄'' x 34¹¹⁄'' x 61⁄''
101³⁄'' x 34¹¹⁄'' x 61⁄''
116¹⁵⁄'' x 34¹¹⁄'' x 61⁄''
40³⁄ ' ' x 49⁹⁄'' x 62⁄''
52³⁄'' x 49⁹⁄'' x 62⁄''
60⁄'' x 49⁹⁄'' x 62⁄''
77⁹⁄'' x 49⁹⁄'' x 62⁄''
101³⁄'' x
49⁹⁄'' x 62⁄''
116⁄'' x 49⁹⁄'' x 62⁄''
40³⁄'' x 44¹⁄'' x 68⁄ ''
52³⁄'' x 44¹⁄'' x 68⁄ ' '
60⁄'' x 44¹⁄'' x 68⁄ ' '
77⁹⁄'' x 44¹⁄'' x 68⁄''
101³⁄'' x 44¹⁄'' x 68⁄''
116⁄'' x 44¹⁄'' x 68⁄''
40³⁄'' x 49⁹⁄'' x 61⁄''
52³⁄'' x 34¹¹⁄'' x 61⁄''
60¹⁄'' x 34¹¹⁄'' x 61⁄''
77⁹⁄'' x 34¹¹⁄'' x 61
⁄''
101³⁄'' x 34¹¹⁄'' x 61⁄''
116¹⁵⁄'' x 34¹¹⁄'' x 61⁄''
KFM-CG/SC-40-S(R)
KFM-CG/SC-50-S(R)
KFM-CG/SC-60-S(R)
KFM-CG/SC-80-S(R)
KFM-CG-100-S(R)
KFM-CG-120-S(R)
KFM-FG/SF-40-S(R)
KFM-FG/SF-50-S(R)
KFM-FG/SF-60-S(R)
KFM-FG/SF-80-S(R)
KFM-FG-100-S(R)
KFM-FG-120-S(R)
KFM-OF/SO-40-S(R)
KFM-OF/SO-50-S(R)
KFM-OF/SO-60-S(R)
KFM-OF/SO-80-S(R)
KFM-OF-100-S(R)
KFM-OF-120-S(R)
|
|
|
|
|
|
|
|
|
|
|
|
|
|
|
|
|
|
|
|
|
|
|
|
|
|
|
|
|
|
|
|
|
|
|
|
|
|
|
|
|
|
|
|
|
|
|
|
|
|
|
|
|
|
57
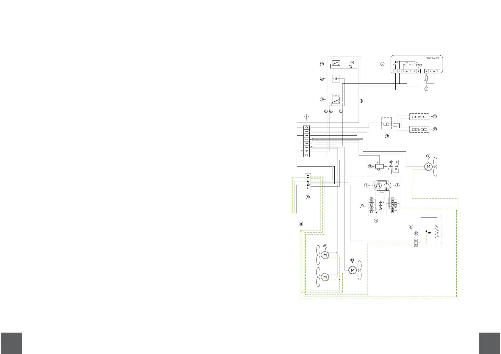
KFM-CG/FG-100/120-S
Bekijk gratis de handleiding van Hydra Kool KFM-SO-120-S, stel vragen en lees de antwoorden op veelvoorkomende problemen, of gebruik onze assistent om sneller informatie in de handleiding te vinden of uitleg te krijgen over specifieke functies.
Productinformatie
| Merk | Hydra Kool |
| Model | KFM-SO-120-S |
| Categorie | Koelkast |
| Taal | Nederlands |
| Grootte | 5509 MB |







