Hydra Kool KFM-SF-60-S handleiding

40 pagina's
PDF beschikbaar

Handleiding

Je bekijkt pagina 22 van 40
22
Front
Drain outlet
Electrical board
Refrigeration piping
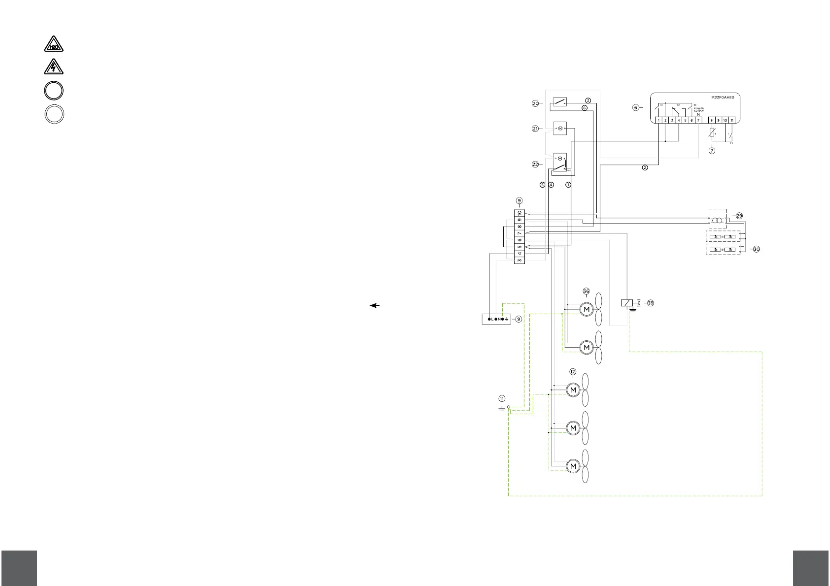
Electrical wiring
KFM-SO-xx-S
59
KFM-CG/FG-40/50/60/80/100/120-R

Bekijk gratis de handleiding van Hydra Kool KFM-SF-60-S, stel vragen en lees de antwoorden op veelvoorkomende problemen, of gebruik onze assistent om sneller informatie in de handleiding te vinden of uitleg te krijgen over specifieke functies.

Productinformatie

MerkHydra Kool
ModelKFM-SF-60-S
CategorieKoelkast
TaalNederlands
Grootte5509 MB