Huawei SUN2000-25KTL-M5 handleiding
Handleiding
Je bekijkt pagina 15 van 97

NO TE
● In a TT power grid, the N-PE voltage should be lower than 30 V.
● In an IT power grid, you need to set isolation settings to input not grounded, with a
transformer.
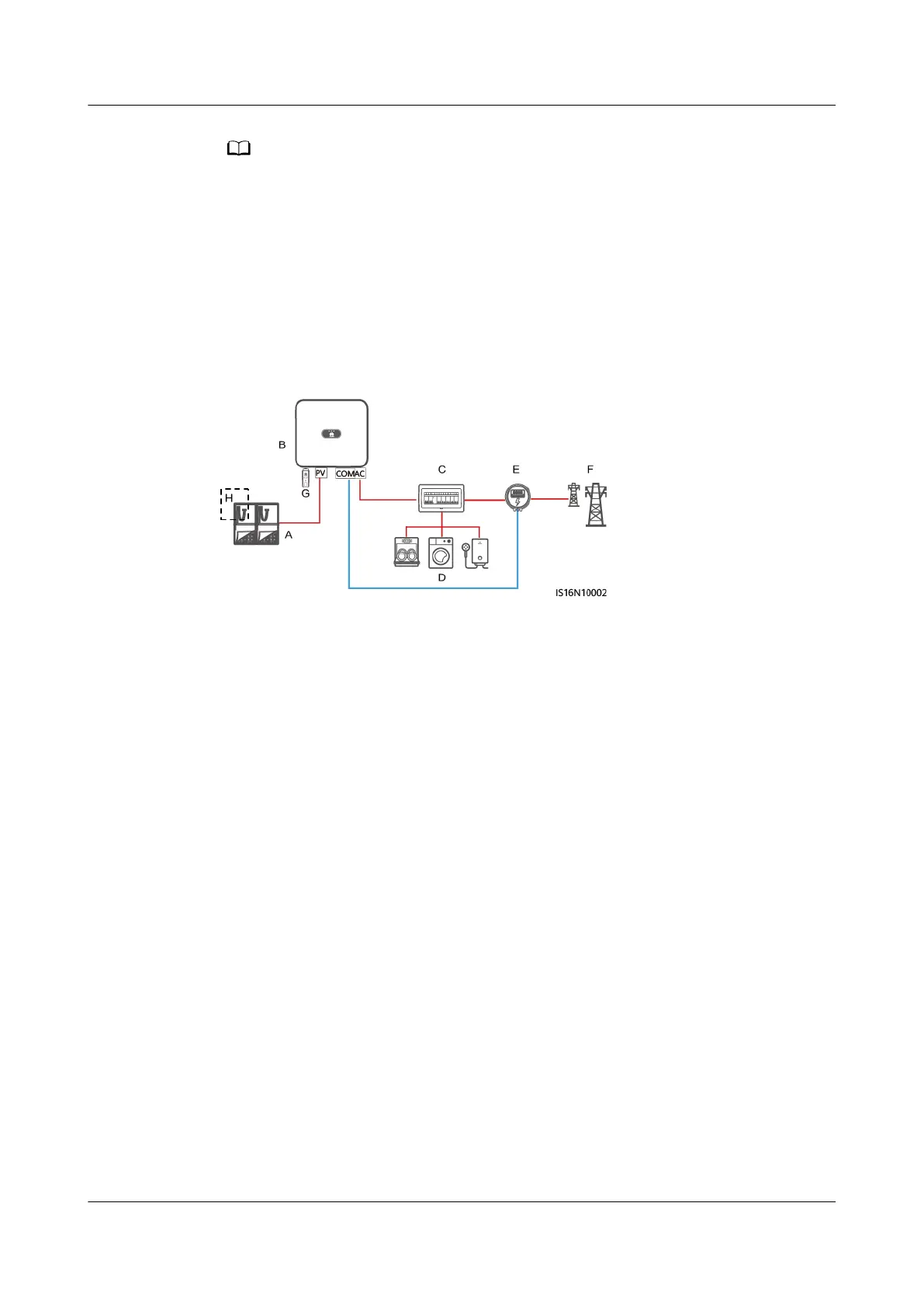
Networking Application
The SUN2000 applies to residential rooftop grid-tied systems and small-sized
ground grid-tied PV plants. Typically, a grid-tied system consists of PV strings, grid-
tied inverters, AC switches, and power distribution units.
Figure 2-3 Networking application (single inverter)
(A) PV string (B) SUN2000 (C) AC power
distribution unit
(D) Load (E) Power meter (F) Power grid
(G) Smart Dongle (H) Optimizer
SUN2000-(12KTL-25KTL)-M5 Series
User Manual 2 Overview
Issue 01 (2022-06-15) Copyright © Huawei Digital Power Technologies Co., Ltd. 9
Bekijk gratis de handleiding van Huawei SUN2000-25KTL-M5, stel vragen en lees de antwoorden op veelvoorkomende problemen, of gebruik onze assistent om sneller informatie in de handleiding te vinden of uitleg te krijgen over specifieke functies.
Productinformatie
| Merk | Huawei |
| Model | SUN2000-25KTL-M5 |
| Categorie | Niet gecategoriseerd |
| Taal | Nederlands |
| Grootte | 9842 MB |



