HTW ADMIRA -FST3-140ADM handleiding
Handleiding
Je bekijkt pagina 23 van 192

NOTA SOBRE ILUSTRACIONES
Las ilustraciones de este manual tienen fines explicativos. La forma real de su unidad
interior puede ser ligeramente diferente. La forma real prevalecerá.
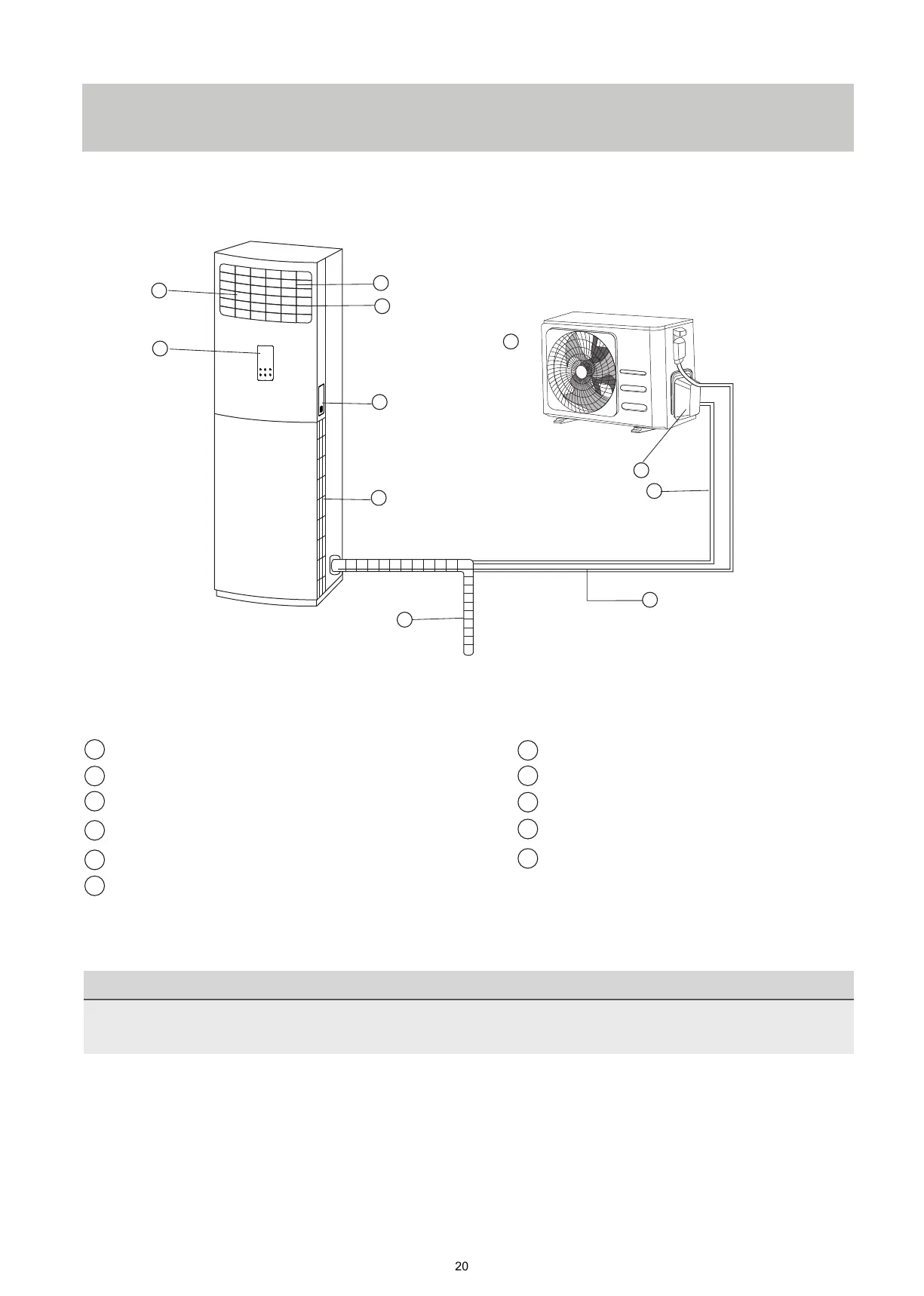
Partes de la Unidad
1
6
7
8
9
10
11
2
3
4
5
Salida de aire
Panel de operación
Rejilla de control de flujo de aire horizontal
Rejilla de control de flujo de aire vertical
Soporte de control remoto (en algunos modelos)
Entrada de aire (2 lados)
Tubo de drenaje, tubo de ventilación
Cable de conexión
Tubería de conexión
Puerto de tubería de refrigerante
Salida de aire
Unidad interior
Outdoor unit
T
U
R
BO
T2
T3
T4
T1
1
2
3
4
5
6
7
8
11
9
10
20
Bekijk gratis de handleiding van HTW ADMIRA -FST3-140ADM, stel vragen en lees de antwoorden op veelvoorkomende problemen, of gebruik onze assistent om sneller informatie in de handleiding te vinden of uitleg te krijgen over specifieke functies.
Productinformatie
| Merk | HTW |
| Model | ADMIRA -FST3-140ADM |
| Categorie | Niet gecategoriseerd |
| Taal | Nederlands |
| Grootte | 26080 MB |


