Hoshizaki KM-1900SWJ3 handleiding
Handleiding
Je bekijkt pagina 12 van 45

12
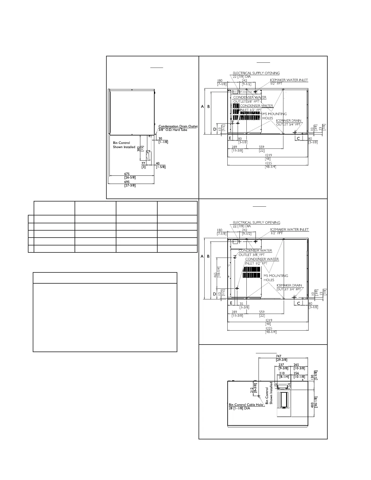
2. Water-Cooled Models (SWJ/3)
Units: mm [in.]
NOTICE
• Allow 6" (15 cm) clearance at rear,
sides, and top for proper air circulation
and ease of maintenance and/or
service should they be required.
• The ice storage bin opening must
match the bottom opening as in the
illustration.
KM-1301SWJ/3 KM-1601SWJ/3 KM-1900SWJ/3
KM-2200SWJ3
KM-2600SWJ3
A 695 [27-3/8] 695 [27-3/8] 925 [36-3/8] 925 [36-3/8]
B 643 [25-3/8] 643 [25-3/8] 873 [34-3/8] 873 [34-3/8]
C 115 [4-1/2] 115 [4-1/2] 130 [5-1/8] 130 [5-1/8]
D 164 [6-1/2] 199 [7-7/8] 298 [11-3/4] 162 [6-3/8]
E 74 [2-7/8] 85 [3-3/8] 85 [3-3/8] 110 [4-3/8]
Rear
KM-1301/1601/1900/2200SWJ/3
Side
Bottom
Model Shown: KM-1301SWJ
Model Shown: KM-1301SWJ
Model Shown: KM-1301SWJ
Model Shown: KM-2600SWJ3
Rear
KM-2600SWJ3
Bekijk gratis de handleiding van Hoshizaki KM-1900SWJ3, stel vragen en lees de antwoorden op veelvoorkomende problemen, of gebruik onze assistent om sneller informatie in de handleiding te vinden of uitleg te krijgen over specifieke functies.
Productinformatie
Merk | Hoshizaki |
Model | KM-1900SWJ3 |
Categorie | Niet gecategoriseerd |
Taal | Nederlands |
Grootte | 4069 MB |