Hoshizaki C-80BAK handleiding

46 pagina's
PDF beschikbaar

Handleiding

Je bekijkt pagina 23 van 46
23
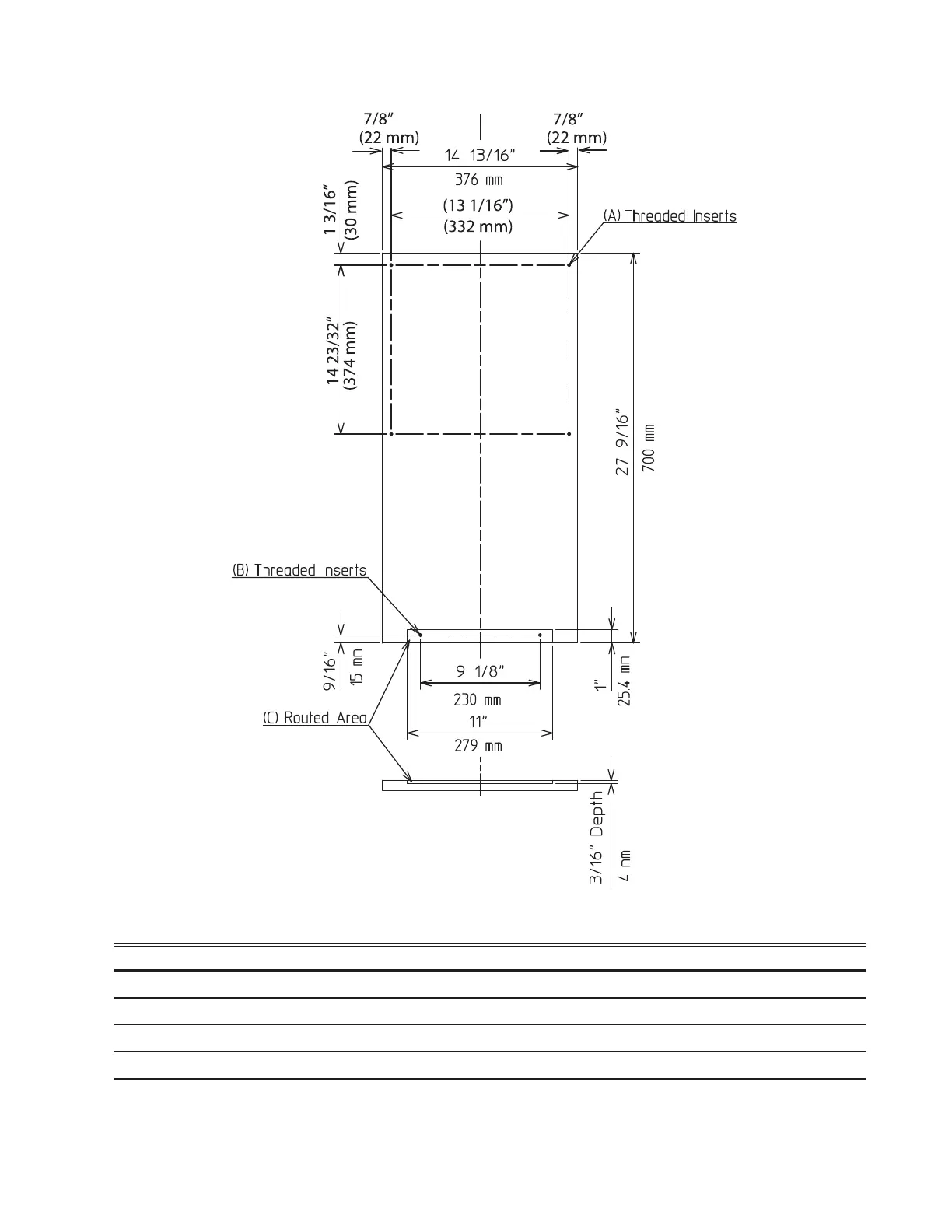
(b) C-80BAK-ADDS
C-80BAK-ADDS Overlay Panel Specication
Overlay Panel Height 27 9/16" (700 mm)
Overlay Panel Width 14 13/16" (376 mm)
Overlay Panel Thickness 5/8" (16 mm) minimum; 3/4" (19 mm) maximum
Overlay Panel and Door Weight (total) 20 lb. (9 kg) maximum
(
)
(
)
(
)
(
)
(
)
(
)
(
)

Bekijk gratis de handleiding van Hoshizaki C-80BAK, stel vragen en lees de antwoorden op veelvoorkomende problemen, of gebruik onze assistent om sneller informatie in de handleiding te vinden of uitleg te krijgen over specifieke functies.

Productinformatie

MerkHoshizaki
ModelC-80BAK
CategorieKoelkast
TaalNederlands
Grootte3777 MB