Hoshizaki AM-50BAK-AD handleiding
Handleiding
Je bekijkt pagina 23 van 46

23
(
)
(
)
(
)
(
)
(
)
(
)
(
)
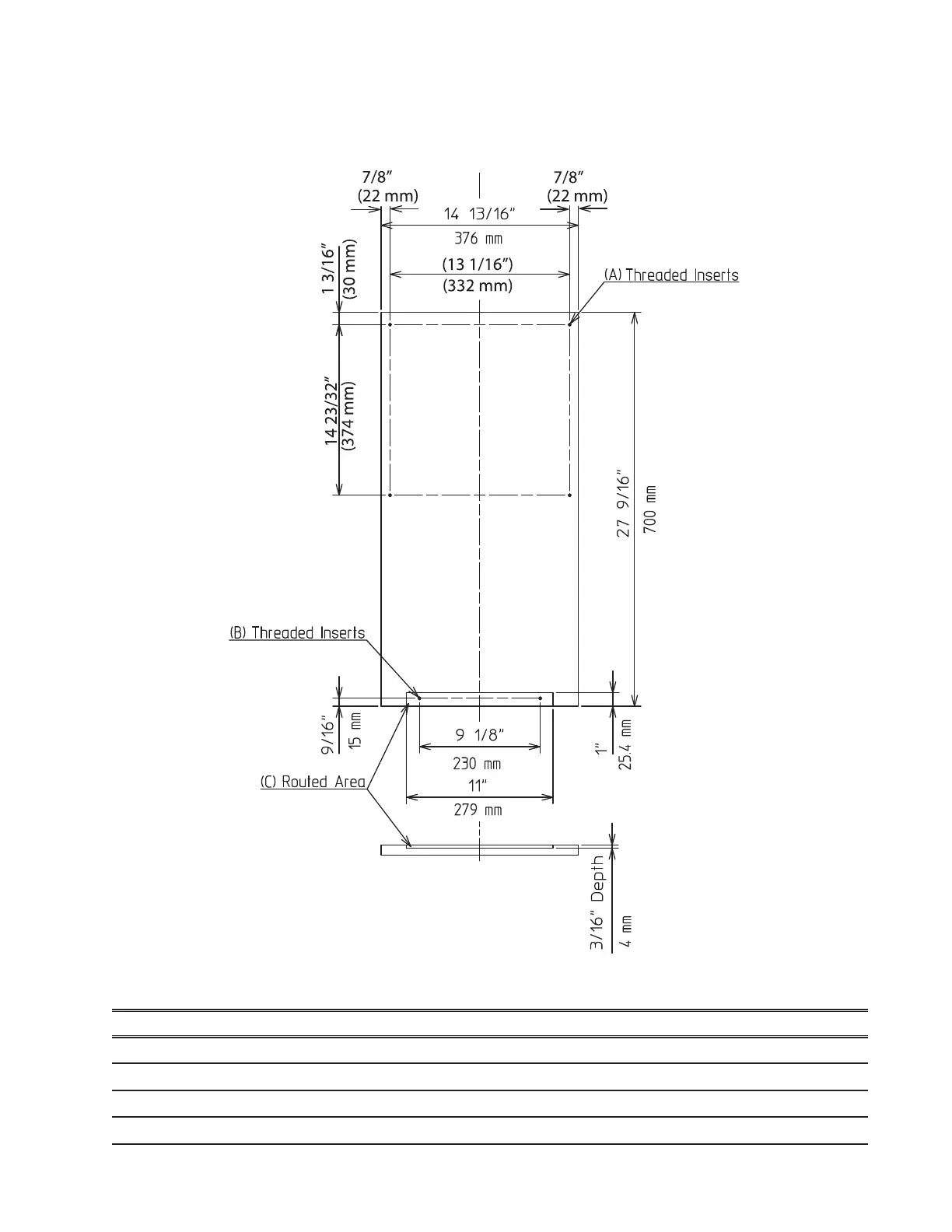
AM-50BAK-ADDS Overlay Panel Specication
Overlay Panel Height 27 9/16" (700 mm)
Overlay Panel Width 14 13/16" (376 mm)
Overlay Panel Thickness 5/8" (16 mm) minimum; 3/4" (19 mm) maximum
Overlay Panel and Door Weight (total) 20 lb. (9 kg) maximum
(b) AM-50BAK-ADDS
Bekijk gratis de handleiding van Hoshizaki AM-50BAK-AD, stel vragen en lees de antwoorden op veelvoorkomende problemen, of gebruik onze assistent om sneller informatie in de handleiding te vinden of uitleg te krijgen over specifieke functies.
Productinformatie
Merk | Hoshizaki |
Model | AM-50BAK-AD |
Categorie | Niet gecategoriseerd |
Taal | Nederlands |
Grootte | 3914 MB |