Holzmann ED1500KDIG handleiding

215 pagina's
PDF beschikbaar

Handleiding

Je bekijkt pagina 192 van 215
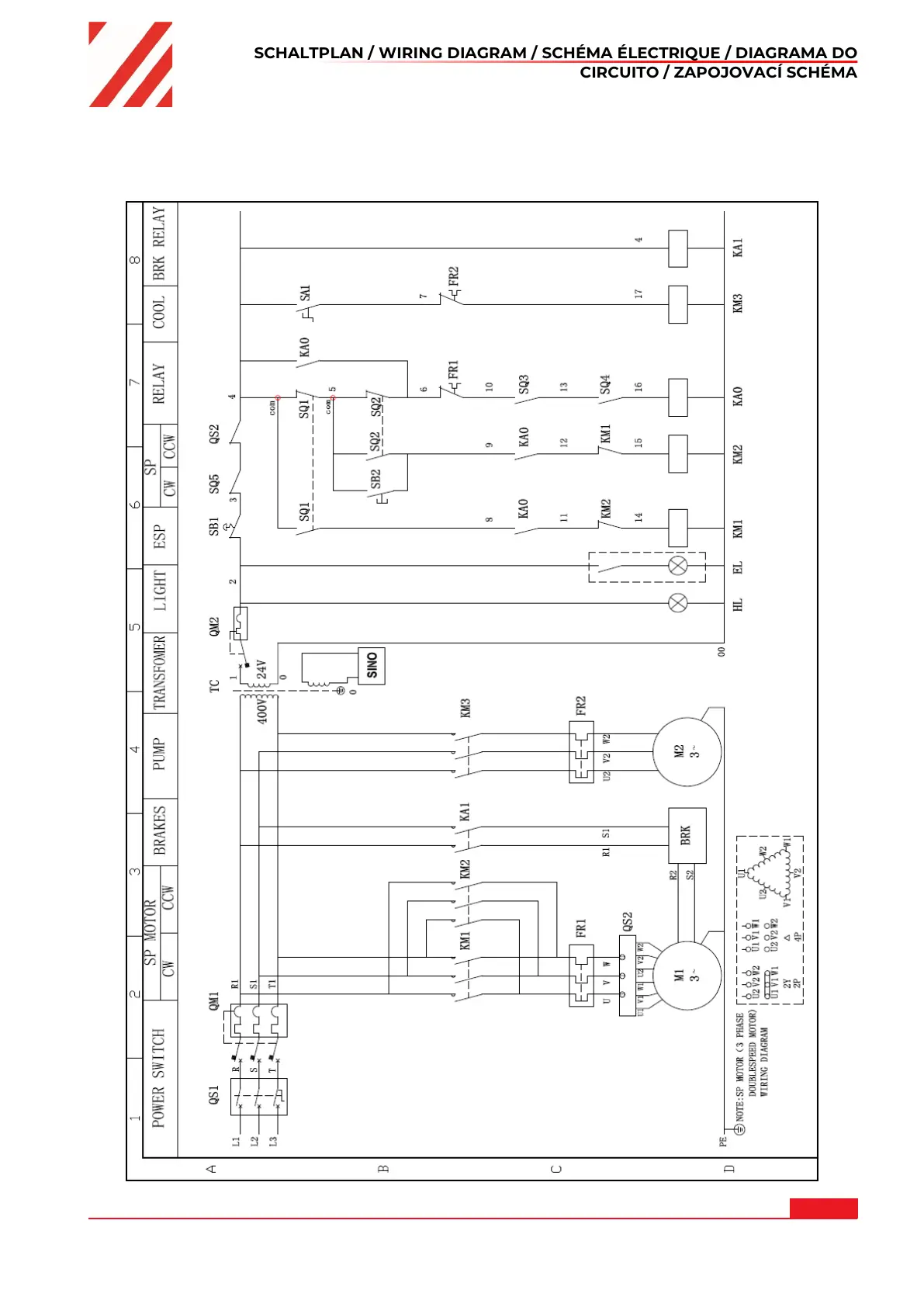
SCHALTPLAN / WIRING DIAGRAM / SCHÉMA ÉLECTRIQUE / DIAGRAMA DO
CIRCUITO / ZAPOJOVACÍ SCHÉMA
HOLZMANN MASCHINEN GmbH www.holzmann-maschinen.at 192
ED1000KDIG | ED1500KDIG
54 SCHALTPLAN / WIRING DIAGRAM / SCHÉMA ÉLECTRIQUE /
DIAGRAMA DO CIRCUITO / ZAPOJOVACÍ SCHÉMA

Bekijk gratis de handleiding van Holzmann ED1500KDIG, stel vragen en lees de antwoorden op veelvoorkomende problemen, of gebruik onze assistent om sneller informatie in de handleiding te vinden of uitleg te krijgen over specifieke functies.

Productinformatie

MerkHolzmann
ModelED1500KDIG
CategorieNiet gecategoriseerd
TaalNederlands
Grootte66413 MB