Holzmann ED1500KDIG handleiding
Handleiding
Je bekijkt pagina 168 van 215

MONTÁŽ
HOLZMANN MASCHINEN GmbH www.holzmann-maschinen.at 168
ED1000KDIG | ED1500KDIG
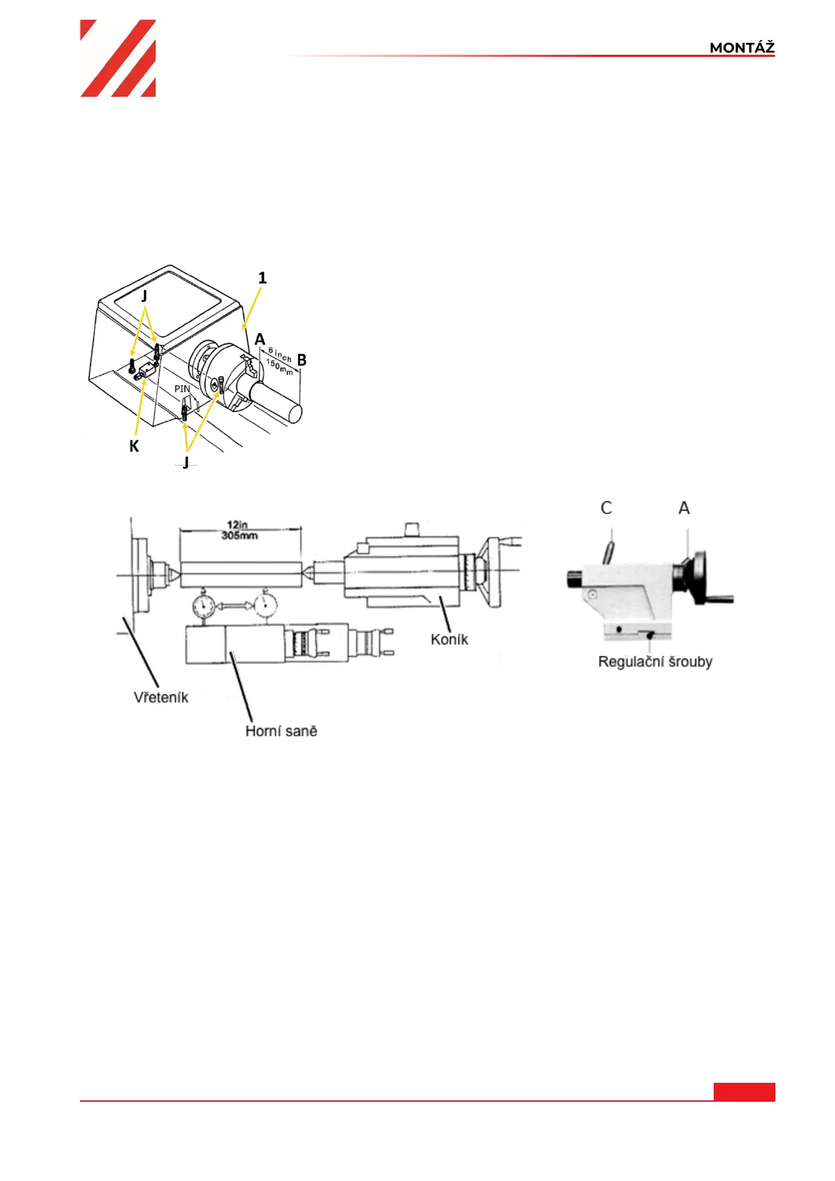
4. Upevňovací kolíky upevněte podle popisu v části „Kontrola uložení sklíčidla soustruhu“.
5. Středicí výstupek na upínací přírubě přizpůsobte otočením čtyřčelisťovému sklíčidlu ve
vystředěném běhu a čelním házení.
47.2.4 Seřízení vřeteníku
Vřeteník (1) je vyrovnán z výroby. Pokud je oproti očekávání nutné nastavení, postupujte
následovně:
Jeden konec ocelové trubky o délce 150 mm a průměru 50 mm
upněte do sklíčidla vřeteníku. Druhý konec se volně pohybuje.
Nyní ostrým soustružnickým nožem odstraňte tenkou vrstvu.
Hodnoty naměřené číselníkovým úchylkoměrem nebo
posuvným měřítkem v bodech A a B se musejí shodovat. Pokud
tomu tak není, musíte pro korekci rozdílu povolit čtyři
upevňovací šrouby vřeteníku (J) (dva jsou umístěny pod
vřeteníkem) a provést nové seřízení pomocí regulačního šroubu
(K). Poté upevňovací šrouby znovu pevně utáhněte a opakujte
otáčení, měření a seřizování tak dlouho, dokud se naměřené
hodnoty nebudou shodovat a stroj nepoběží bez obvodového
házení.
47.2.5 Seřízení koníku
A … Upínací páka koníku; C … Upínací páka pinoly;
Chcete-li seřídit koník, upněte mezi hrot vřeteníku a hrot koníku broušenou ocelovou trubku o
délce 305 mm (viz obrázek výše). Do držáku nástroje upněte digitální dotykový měřicí přístroj.
Nyní veďte horní saně ručním posuvem (ručním kolem) podél obrobku. Pokud přitom číselníkový
úchylkoměr ukazuje rozdílné hodnoty, musíte uvolnit upínací páku koníku (A) a znovu provést
seřízení pomocí dvou regulačních šroubů. Postup opakujte tak dlouho, dokud nebudou oba hroty
přesně v jedné rovině.
Bekijk gratis de handleiding van Holzmann ED1500KDIG, stel vragen en lees de antwoorden op veelvoorkomende problemen, of gebruik onze assistent om sneller informatie in de handleiding te vinden of uitleg te krijgen over specifieke functies.
Productinformatie
| Merk | Holzmann |
| Model | ED1500KDIG |
| Categorie | Niet gecategoriseerd |
| Taal | Nederlands |
| Grootte | 66413 MB |







