Hoffman G28 handleiding

40 pagina's
PDF beschikbaar

Handleiding

Je bekijkt pagina 7 van 40
© 2017 Pentair Equipment Protection
89116684
- 7 -
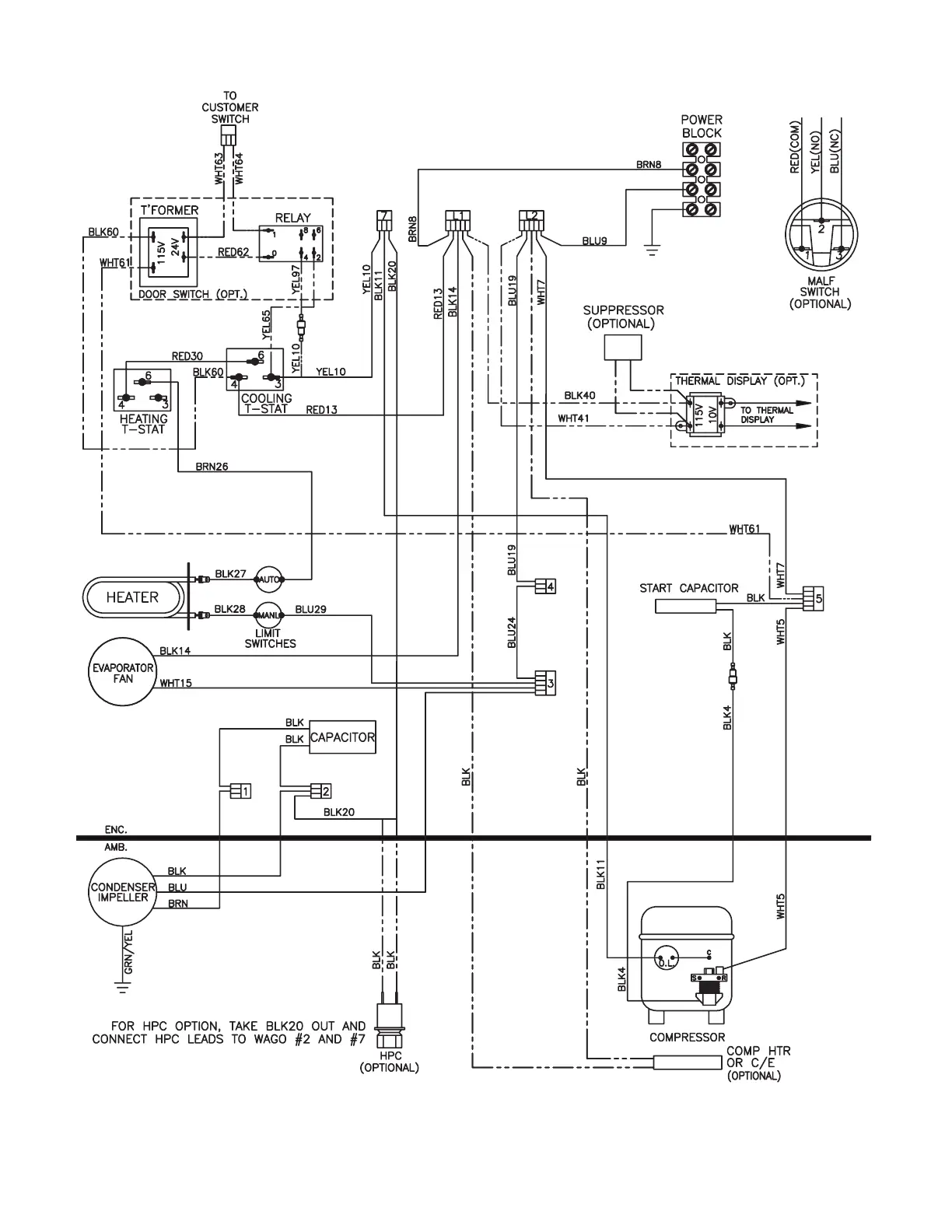
4000 BTU 1-PHASE WIRE DIAGRAM (ACTUAL UNIT OPTIONS MAY VARY)
89077284

Bekijk gratis de handleiding van Hoffman G28, stel vragen en lees de antwoorden op veelvoorkomende problemen, of gebruik onze assistent om sneller informatie in de handleiding te vinden of uitleg te krijgen over specifieke functies.

Productinformatie

MerkHoffman
ModelG28
CategorieHeater
TaalNederlands
Grootte4262 MB

Caratteristiche Prodotto

Soort bedieningKnoppen
Kleur van het productGrijs
Gewicht38101 g
Breedte431 mm
Diepte256.5 mm