Handleiding
Je bekijkt pagina 68 van 77

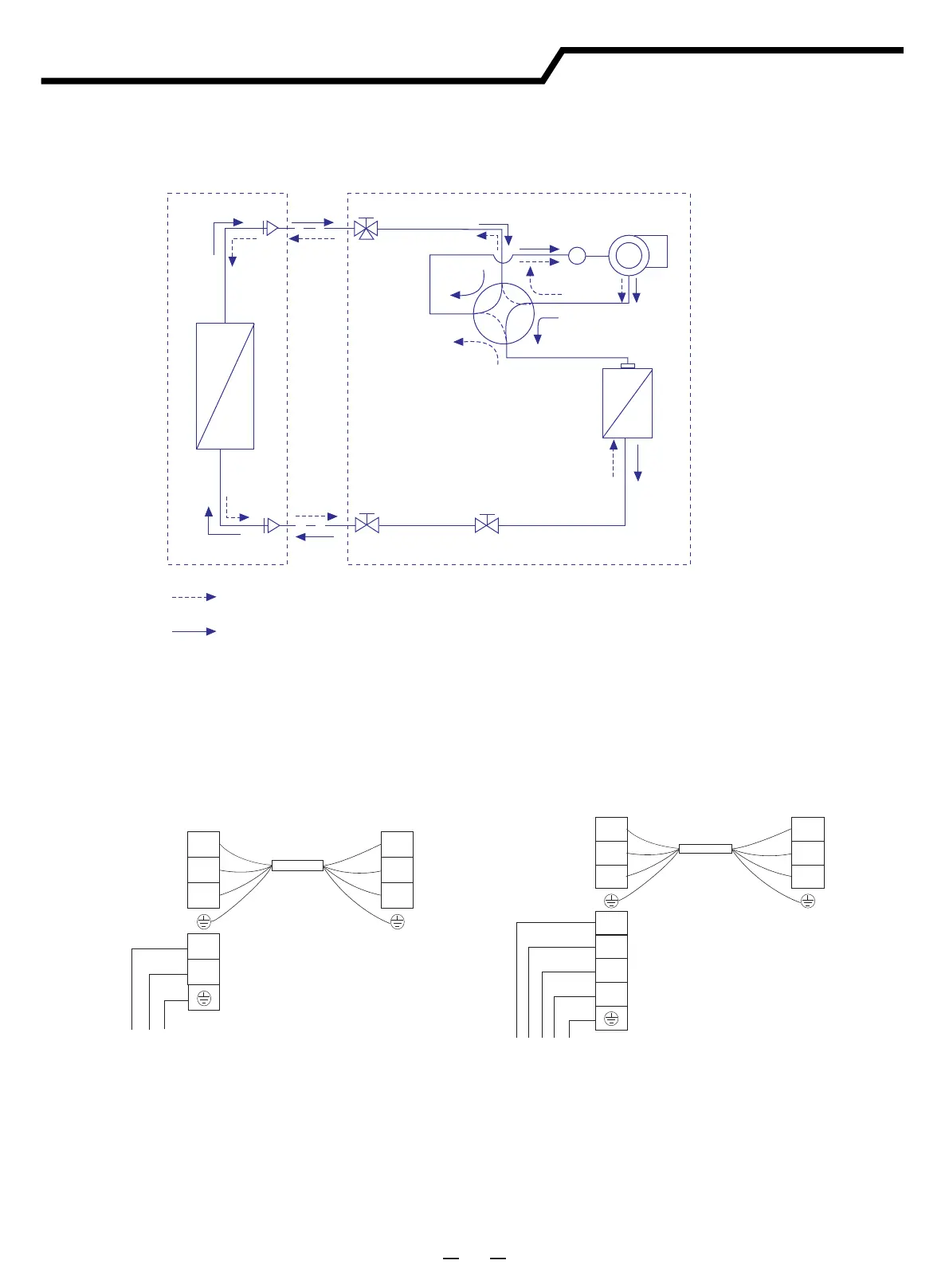
Diagrama de ciclo de refrigerante & Fiação
8
Tubagem
de gás
Válvula de serviço amplo
Compressor
Acumulador
Válvula de 4 vias
Trocador de calor
Tubagem de líquido
Ciclo de aquecimento
Ciclo de resfriamento
UNIDADE INTERNA
UNIDADE EXTERNA
Trocador de calor
EEV
Válvula de serviço
2.Esquema da fiação elétrica
1. Diagrama de ciclo de refrigerante & Fiação
Unidade externa
Unidade externa
Unidade interna
Unidade interna
Terminal Terminal
Fonte de energia
Fonte de energia
SI
L
N
SI
L
N
Cabo de conexão de alimentação
Cabo de conexão de alimentação
N
L
Terminal
Terminal
SI
L
N
SI
L
N
N
W
U
V
Tipo trifásico
125/140/175
Tipo monofásico
26/35/52/71/90/105/125/140
Bekijk gratis de handleiding van Hisense AUW175U6RP4, stel vragen en lees de antwoorden op veelvoorkomende problemen, of gebruik onze assistent om sneller informatie in de handleiding te vinden of uitleg te krijgen over specifieke functies.
Productinformatie
| Merk | Hisense |
| Model | AUW175U6RP4 |
| Categorie | Airco |
| Taal | Nederlands |
| Grootte | 9007 MB |







