Handleiding
Je bekijkt pagina 49 van 77

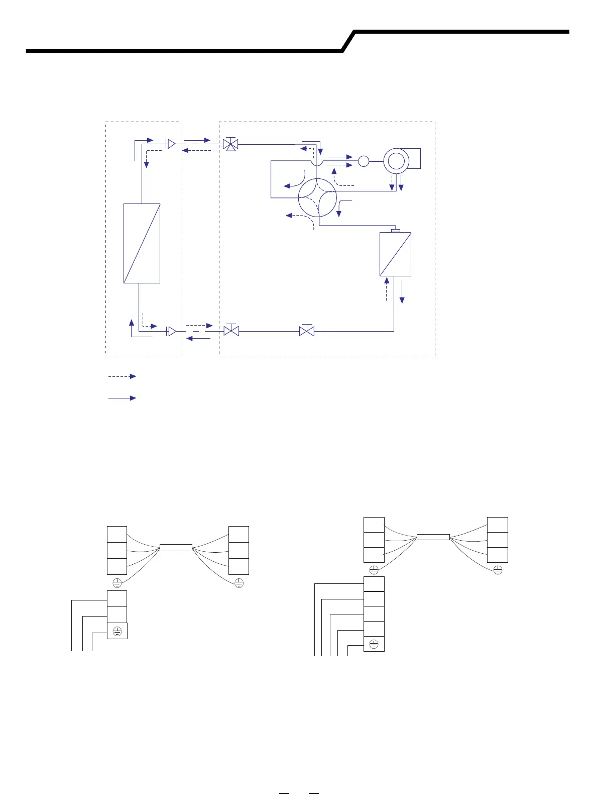
Diagrama del cableado y el ciclo del refrigerante
8
Tuberías de gas
Válvula de servicio amplia
Compresor
Acumulador
Válvula de 4 direcciones
Intercambiador de calor
Tuberías de líquido
Ciclo de calefacción
Ciclo de refrigeración
UNIDAD INTERIOR
UNIDAD EXTERIOR
Intercambiador de calor
EEV
Válvula de servicio
2. Diagrama de cableado eléctrico
Cable de alimentación
Cable de alimentación
1. Diagrama del flujo de refrigerante
Unidad exterior
Unidad exterior
Unidad interior
Unidad interior
Terminal
Terminal
Terminal
Terminal
Fuente de alimentación
Fuente de alimentación
SI
L
N
SI
L
N
N
L
SI
L
N
SI
L
N
N
W
U
V
Series trifásicas
125/140/175
Series de fase única
26/35/52/71/90/105/125/140
Bekijk gratis de handleiding van Hisense AUW175U6RP4, stel vragen en lees de antwoorden op veelvoorkomende problemen, of gebruik onze assistent om sneller informatie in de handleiding te vinden of uitleg te krijgen over specifieke functies.
Productinformatie
Merk | Hisense |
Model | AUW175U6RP4 |
Categorie | Airco |
Taal | Nederlands |
Grootte | 9007 MB |