Handleiding
Je bekijkt pagina 30 van 77

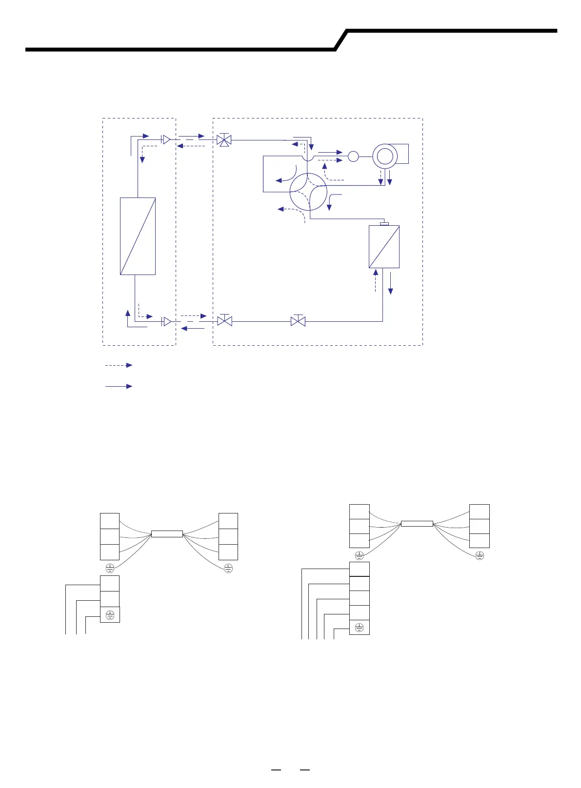
Schema del flusso di refrigerazione
8
Tubo del gas
Ampia valvola di servizio
Compressore
Accumulatore
Valvola a 4 vie
Scambiatore di calore
Tubo del liquido
Ciclo di riscaldamento
Ciclo di raffreddamento
UNITÀ INTERNA UNITÀ ESTERNA
Scambiatore di calore
EEV
Valvola di servizio
2. Schema del cablaggio elettrico
1. Schema del flusso del refrigerante
Unità esterna
Unità esterna
Unità interna
Unità interna
Terminale
Terminale
Terminale
Terminale
Alimentazione elettrica
Alimentazione elettrica
SI
L
N
SI
L
N
Cavo di alimentazione
N
L
SI
L
N
SI
L
N
Cavo di alimentazione
N
W
U
V
Serie trifase
125/140/175
Serie monofase
26/35/52/71/90/105/125/140
Bekijk gratis de handleiding van Hisense AUW175U6RP4, stel vragen en lees de antwoorden op veelvoorkomende problemen, of gebruik onze assistent om sneller informatie in de handleiding te vinden of uitleg te krijgen over specifieke functies.
Productinformatie
Merk | Hisense |
Model | AUW175U6RP4 |
Categorie | Airco |
Taal | Nederlands |
Grootte | 9007 MB |