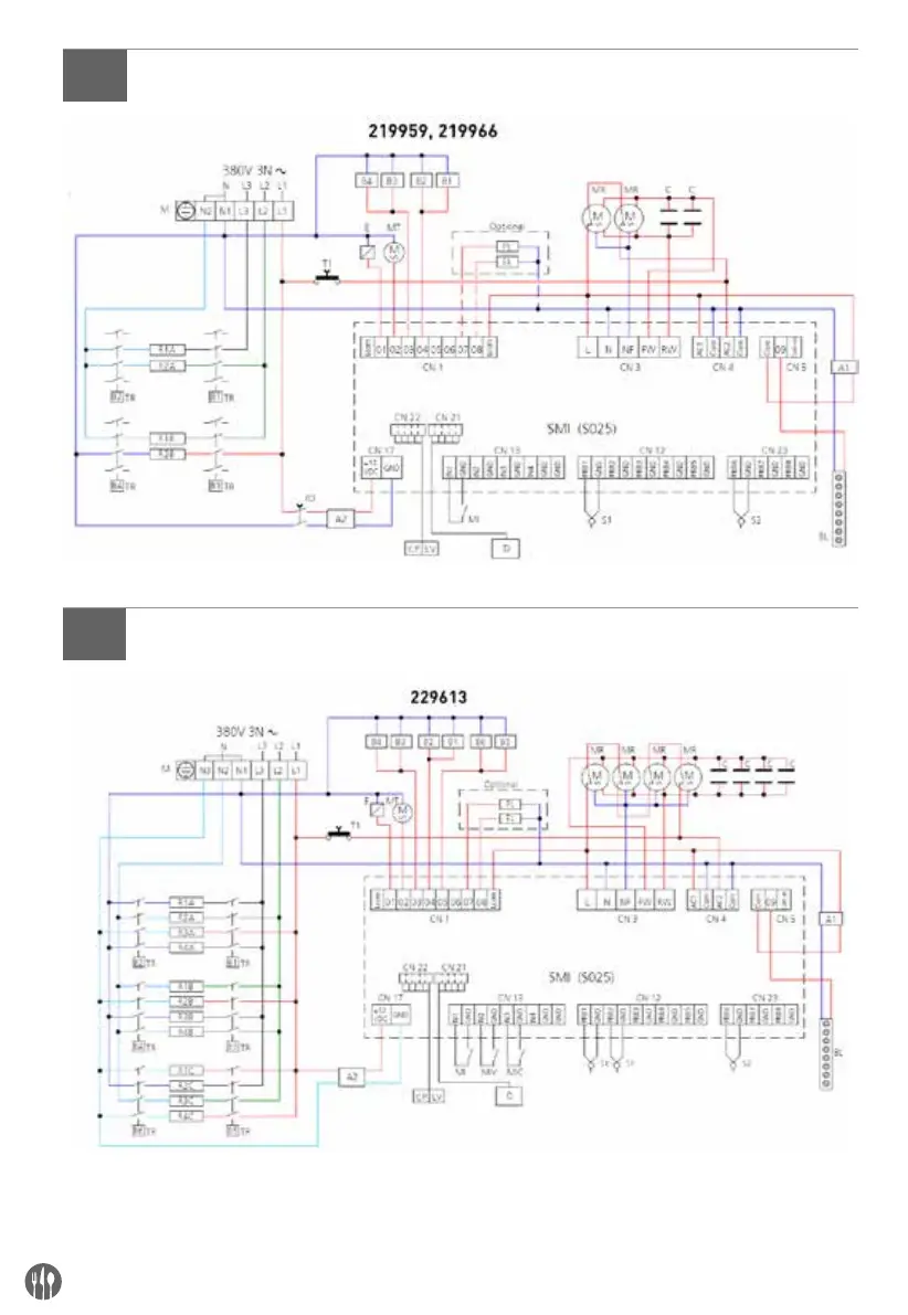
Hendi 219966 handleiding

180 pagina's
PDF beschikbaar

Handleiding

Je bekijkt pagina 6 van 180
6
5B
5C

Bekijk gratis de handleiding van Hendi 219966, stel vragen en lees de antwoorden op veelvoorkomende problemen, of gebruik onze assistent om sneller informatie in de handleiding te vinden of uitleg te krijgen over specifieke functies.

Productinformatie

MerkHendi
Model219966
CategorieOven
TaalNederlands
Grootte30937 MB