Haws 3602 handleiding
Handleiding
Je bekijkt pagina 12 van 12

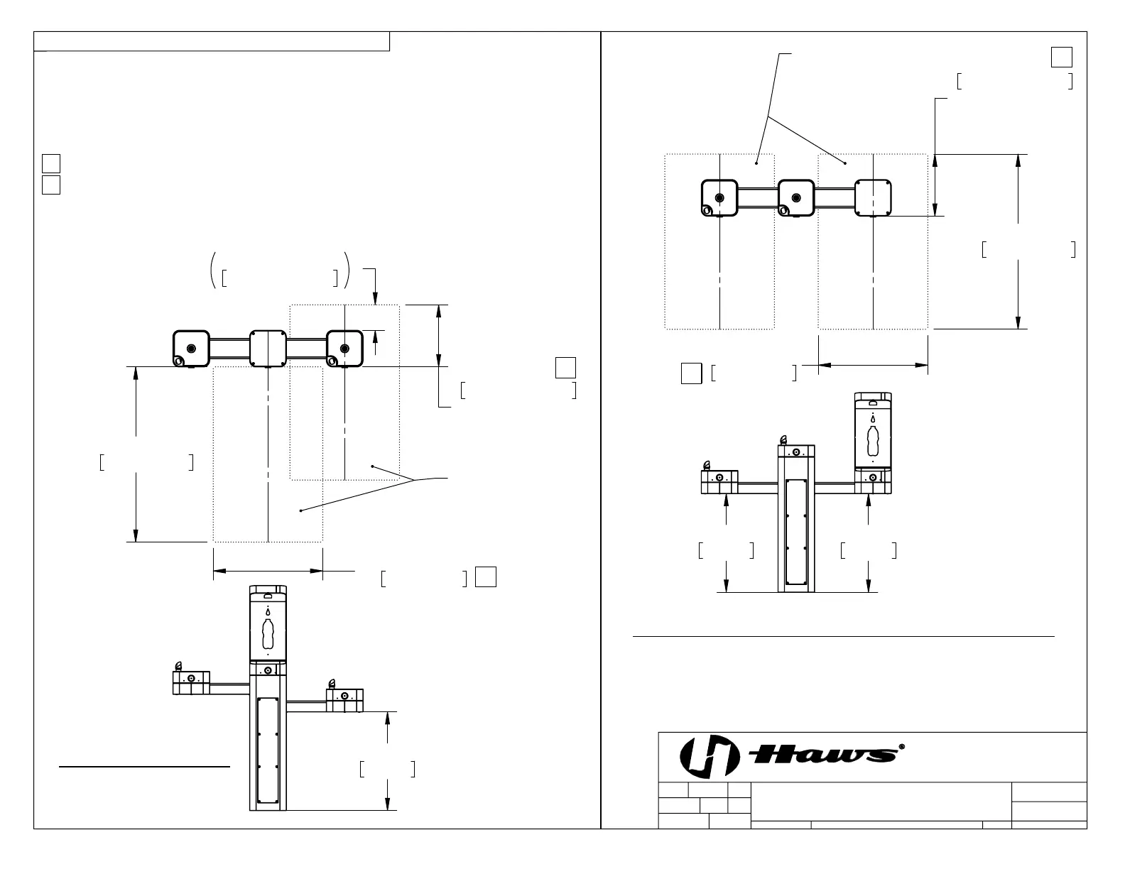
17" - 25"
432mm - 635mm
ADA TOE
CLEARANCE
DEPTH
7" - 15"
178mm - 381mm
2X
30" MIN
762mm MIN
2X
48" MIN
1219mm MIN
ADA FORWARD
APPROACH
WHEELCHAIR
CLEAR SPACE
6
27"
687mm
MODEL 3612 SHOWN
2X
30" MIN
762mm MIN
17" - 25"
432mm - 635mm
ADA TOE
CLEARANCE
DEPTH
2X
48" MIN
1219mm MIN
ADA FORWARD
APPROACH
WHEELCHAIR
CLEAR SPACE
27"
687mm
27"
687mm
NOTES:
3. CLEAR FLOOR SPACES APPLY FOR ALL MODELS WITH A DRINKING FOUNTAIN
OR BOTTLE FILLER INSTALLED AT ADA WHEELCHAIR ACCESSIBLE HEIGHT AND
PEDESTAL MOUNTED BOTTLE FILLERS.
4. ORIENTATION OF CLEAR FLOOR SPACE IS DEPENDENT ON THE FOUNTAIN OR
BOTTLE FILLER ORIENTATION.
5
SOME CALIFORNIA JURISDICTIONS MAY REQUIRE 18" MIN.
6
SOME CALIFORNIA JURISDICTIONS MAY REQUIRE 32" MIN.
7. REFER TO ADA STANDARDS AND/OR YOUR LOCAL BUILDING CODE FOR
CLEAR SPACE GUIDELINES FOR PARALLEL APPROACH.
ADA WHEELCHAIR
ACCESSIBLE
HEIGHT
THESE HAWS MODELS ARE FULLY COMPLIANT WITH THE FEDERAL 2010
AMERICANS WITH DISABILITIES ACT (ADA) ACCESSIBILITY REQUIREMENTS WHEN
INSTALLED AS SHOWN HERE AND WHEN INSTALLED WITH PROPER CLEARANCES
AND ACCESS. IT IS THE RESPONSIBILITY OF THE INSTALLER TO ADHERE TO LOCAL,
STATE, AND FEDERAL CODES WHEN INSTALLING THIS UNIT. DISTANCE TO
SURROUNDING OBJECTS, APPROACH SURFACES, ETC. SHOULD BE CONSIDERED.
MODEL 3612 ALTERNATE CONFIGURATION SHOWN
5
6
5
ADA
WHEELCHAIR
ACCESSIBLE
HEIGHT
ADA COMPLIANT
BOTTLE FILLER
ADA COMPLIANT
BOTTLE FILLER
© 2022 Haws Corporation - All Rights Reserved. HAWS® and other trademarks used in these materials are the exclusive property of Haws Corporation.
THIS DOCUMENT IS TRUE AND CORRECT AT TIME OF PUBLICATION. CONTINUED PRODUCT
IMPROVEMENTS MAKE SPECIFICATIONS AND MEASUREMENTS SUBJECT TO CHANGE WITHOUT NOTICE.
APPROVED:
DRAWN:
PART NUMBER
SCALE:
REVISION
DHP
6/11/20
3
1:28
FV
07/12/22
DRAWING TYPE:
SIZE: A
5666
BY:
BJM
INSTALLATION
DATE:
DATE:
REV. ECN:
5822
CHK'D.:
MODEL(S)
1455 KLEPPE LANE
SPARKS, NEVADA 89431
(775) 359-4712 FAX (775) 359-7424
E-MAIL: HAWS@HAWSCO.COM
WEBSITE: WWW.HAWSCO.COM
JU
ECN:
SHEET 7 OF 7
0510001187.D
3602 & 3602F
PAGE 12 OF 12
PAGE 12 OF 12
Bekijk gratis de handleiding van Haws 3602, stel vragen en lees de antwoorden op veelvoorkomende problemen, of gebruik onze assistent om sneller informatie in de handleiding te vinden of uitleg te krijgen over specifieke functies.
Productinformatie
Merk | Haws |
Model | 3602 |
Categorie | Niet gecategoriseerd |
Taal | Nederlands |
Grootte | 1511 MB |