Handleiding
Je bekijkt pagina 29 van 118

31-5001082 Rev. 2 29
ENGLISH
Step 3 - Installation of the Outdoor Unit (Cont.)
INSTALLATION INSTRUCTIONS
Model:
B2FF81 Q2**
B2FF42 Q3**
B2TR02 Q2**
B2TR42 Q3**
B2FF63 Q4**
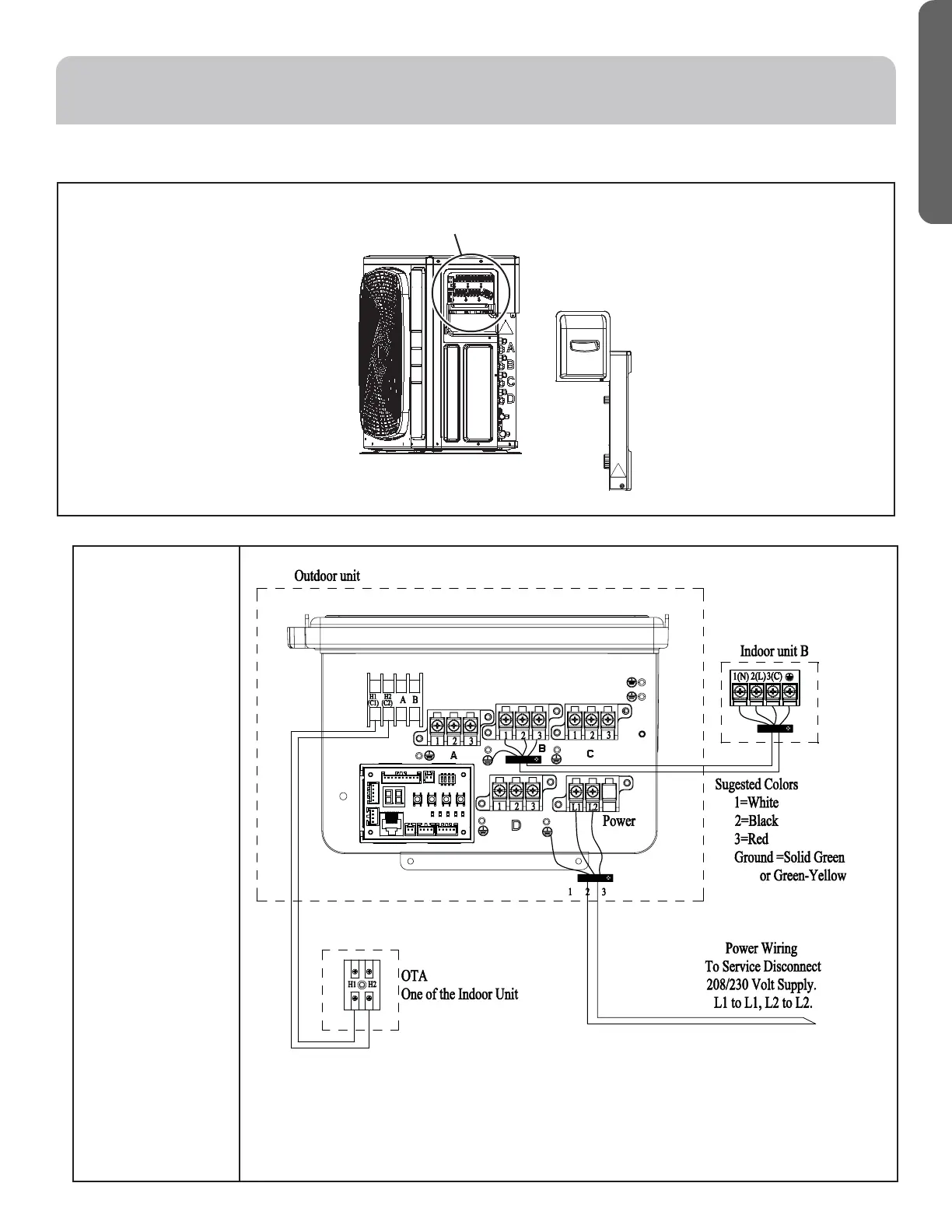
Wiring Information
NOTE: On 4Q36RT2B** and
5Q42RT2B** models, the side panel
needs to be removed in order to
access the terminal and wiring area.
A
¡æ
B
C
D
E
Valve
Cover
Terminal and Wiring Area
Terminal
Cover
Bekijk gratis de handleiding van Haier Arctic 4Q36RT2BEA, stel vragen en lees de antwoorden op veelvoorkomende problemen, of gebruik onze assistent om sneller informatie in de handleiding te vinden of uitleg te krijgen over specifieke functies.
Productinformatie
Merk | Haier |
Model | Arctic 4Q36RT2BEA |
Categorie | Airco |
Taal | Nederlands |
Grootte | 12094 MB |