Haier Advanced Plus 1U24AP2HDB handleiding
Handleiding
Je bekijkt pagina 21 van 44

ENGLISH
OUTDOOR UNITS
Ë¡)
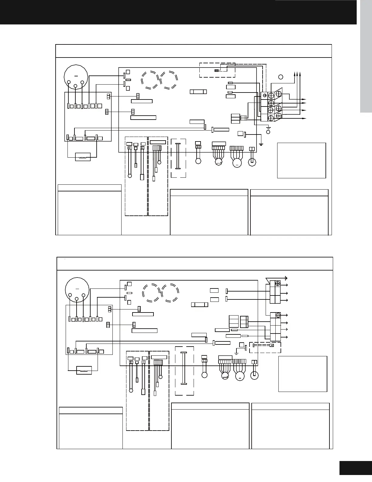
09K-12K
18K-24K
ADVERTENCIA
AVERTISSEMENT
1(N)
3(C)2(L)
YEL
YEL
SOCKET PROTECT
CN45
BLOCK
AC-L
AC-N
CN2
CN1
R
W
B
N
COM
CN36
TERMINAL
W
Y/G
GND
G
TO INDOOR UNIT
POWER
G
Y/G
B
BL
CN3
PE
Y/G
Condensor
LED2
CN48
B
W
BOTTOM
ELECTRIC
HEATER
Electrical Shock Hazard
Capacitor retains charge aŌer
power is disconnected. ConĮrm
voltage at capacitor has dissipated
(<10V DC) with hand held ohm
meter before servicing. LED light
between CN25 and CN28 should be
oī.
Riesgo de Descarga Eléctrica
El capacitor reƟene carga una vez
desconectada la corriente. ConĮrme que el
voltaje del capacitor se haya disipado (<10V
DC) apoyand
o la mano sobre el ohmnímetro
antes de realizar el servicio técnico.La luz
LED que se encuentra entre CN25 y CN28
deberá estar apagada.
Risque de choc électrique
Le condensateur conserve sa charge après la
coupure de l’alimentaƟon électrique. Avant
de procéder à une réparaƟon, vériĮez que le
courant au condensateur s’est dissipé
(<10VCC) à l’aide d’un ohmmètre manuel. Le
voyant DEL entre CN25 et CN28 doit ê
tre
éteint.
Note:The dotted parts are optional.
The @ 1and the
@ 2cannot exist at the same time,
but must keep one of them .
B :Black W :White
R :Red Y/G :Yellow/Green
BR :Brown OR :Orange
BL :Blue GR:Gray
AMBIENT TEMP.SENSOR
DEFROST
TEMP.SENSOR
COMP.TEMP.SENSOR
TC
CS
HW
CN17
CN18
CN19
@1
AMBIENT
TEMP.SENSOR
TEMP.SENSOR
DEFROST
COMP.TEMP.SENSOR
CN17
HW
CS
TC
@2
XQ
CN47
TEMP.SENSOR
SUCTION
+
R(U)
S(V)
C(W)
B
W
R
DC FAN
OUTDOOR PCB
MODULE PCB
ELECTRIC
EXPANSION
BL(OR W)
BL
U
V
W
P
N
AC-L
LI
AC-N
L0
CN25
N
P
CN28
GR
GR
AC-N OUT
CN9
CN10
AC-L OUT
CN11
4-WAY VALVE
M
CN22
CN15
VALVE A
FUSE1
T25A 250VAC
CN24
CN23
MODULE COM
MODULE POWER
CN7
CN10
B
BL
BL
OR
CN2
CN8
CN6
CN1
CN5
CN9
CN11
CN3
CN4
REACTOR
B
M
BR(OR B)
CAP
M
VALVE
MOTOR
WARNING
OUTDOOR UNIT WIRING DIAGRAM
CAP
COMPRESSOR
Note:The dotted parts are optional.
The @ 1and the
@ 2cannot exist at the same time ,
but must keep one of them .
B :Black W :White
R :Red Y/G :Yellow/Green
BR :Brown OR :Orange
BL :Blue GR:Gray
CN50
DRED LINE
AMBIENT TEMP.SENSOR
DEFROST
TEMP.SENSOR
COMP.TEMP.SENSOR
TC
CS
HW
CN17
CN18
CN19
@1
AMBIENT
TEMP.SENSOR
TEMP.SENSOR
DEFROST
COMP.TEMP.SENSOR
CN17
HW
CS
TC
@2
XQ
CN47
TEMP.SENSOR
SUCTION
CN48
+
CN3
CN10
B
BL
BL
OR
CN5
CN1
CN4
CN8
CN9
CN2
CN11
CN6
CN7
REACTOR
B
M
R(U)
S(V)
C(W)
B
W
R
DC FAN
OUTDOOR PCB
MODULE PCB
ELECTRIC
EXPANSION
Y/G
Y/G
1
2
3(C)
BL(OR W)
BL
U
V
W
P
N
AC-L
LI
AC-N
L0
CN25
N
P
CN28
M
VALVE
MOTOR
WARNING
OUTDOOR UNIT WIRING DIAGRAM
CAP
COMPRESSOR
CN7
CN6
AC-N OUT
AC-L OUT
BR(OR
B)
BL(OR W)
BL(OR W)
BR(OR B)
AC-N OUT
CN9
CN10
AC-L OUT
CN11
4-WAY VALVE
M
CN22
CN15
VALVE A
CN3
PE
POWER
BL(OR
W)
Y/G
CN36
COMB
COMA
N
R
CN1
CN2
AC-N
AC-L
FUSE1
T25A 250VAC
CN24
CN23
MODULE COM
MODULE POWER
TO INDOOR UNIT
2
1
GR
GR
BR(OR B)
CAP
ADVERTENCIA
AVERTISSEMENT
B
W
BOTTOM
ELECTRIC
HEATER
LED2
Electrical Shock Hazard
Capacitor retains charge aŌer power
is disconnected. ConĮrm voltage at
capacitor has dissipated (<10V DC)
with hand held ohm meter before
servicing. LED light between CN25
and CN28 should be oī.
Riesgo de Descarga Eléctrica
El capacitor reƟene carga una vez
desconectada la corriente. ConĮrme que el
voltaje del capacitor se haya disipado (<10V
DC) apoyando la mano sobre e
l ohmnímetro
antes de realizar el servicio técnico.La luz LED
que se encuentra entre CN25 y CN28 deberá
estar apagada.
Risque de choc électrique
Le condensateur conserve sa charge après la
coupure de l’alimentaƟon électrique. Avant
de procéder à une réparaƟon, vériĮez que le
courant au condensateur s’est dissipé
(<10VCC) à l’aide d’un ohmmètre manuel. Le
voyant DEL entre CN25 et CN28 doit être
éteint.
àÒÛÒ×ÐÍÒÊÐÛÊÖÜ
)¡!"Ô
!%¡"$Ô
31-5000932 Rev. 0
Bekijk gratis de handleiding van Haier Advanced Plus 1U24AP2HDB, stel vragen en lees de antwoorden op veelvoorkomende problemen, of gebruik onze assistent om sneller informatie in de handleiding te vinden of uitleg te krijgen over specifieke functies.
Productinformatie
Merk | Haier |
Model | Advanced Plus 1U24AP2HDB |
Categorie | Niet gecategoriseerd |
Taal | Nederlands |
Grootte | 14872 MB |