Gys BMW C7502655 handleiding
Handleiding
Je bekijkt pagina 108 van 112

108
BMW C7502655 - GYSPOT PTI GENIUS
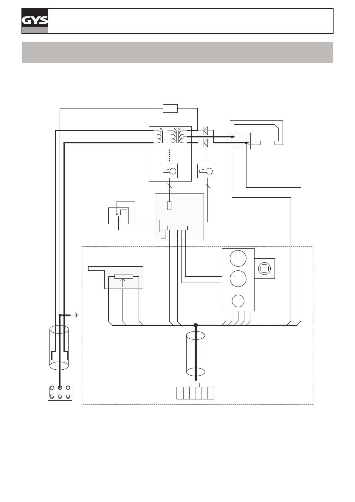
SCHÉMA FAISCEAUX / CABLE ASSEMBLY SCHEMATICS / SCHLAUCHPAKET SCHALTPLAN / ESQUEMA
CABLEADO
1
2
3
4
5
6
7
8
9
10
11
12
12x0.5mm²
1
2
3
4
5
6
7
8
9
10
11
63090
1
2
3
52149 52149
V+
V-
E0055
+T°
-T°
92048SF
RED
WHITE
GRAY
5138151381
51408
71251
BLACK
BLACK
BLACK
BLACK
63138
92051
2
2
52105
YELLOW / GREEN
63170
WHITE
RED
BLACK
Bekijk gratis de handleiding van Gys BMW C7502655, stel vragen en lees de antwoorden op veelvoorkomende problemen, of gebruik onze assistent om sneller informatie in de handleiding te vinden of uitleg te krijgen over specifieke functies.
Productinformatie
| Merk | Gys |
| Model | BMW C7502655 |
| Categorie | Niet gecategoriseerd |
| Taal | Nederlands |
| Grootte | 27796 MB |







