GW Instek GPP-1323 handleiding

157 pagina's
PDF beschikbaar

Handleiding

Je bekijkt pagina 120 van 157
GPP-1323/GPP-1205 User Manual
120
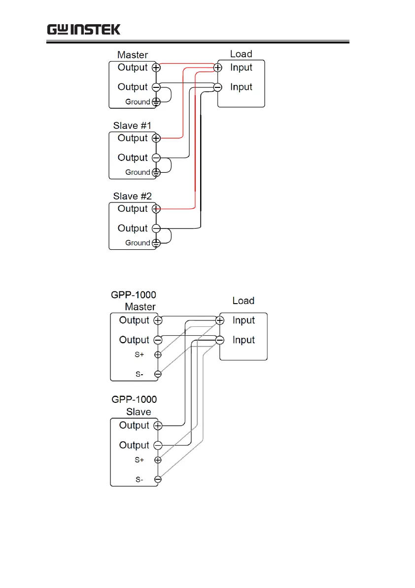
Example
with
negative
terminal
connected
to ground
Parallel
Sense
Connection
s
For remote sense connections, connect the S+ terminals
to the positive potential of the load. Connect the S-
terminals to the negative potential of the load.

Bekijk gratis de handleiding van GW Instek GPP-1323, stel vragen en lees de antwoorden op veelvoorkomende problemen, of gebruik onze assistent om sneller informatie in de handleiding te vinden of uitleg te krijgen over specifieke functies.

Productinformatie

MerkGW Instek
ModelGPP-1323
CategorieNiet gecategoriseerd
TaalNederlands
Grootte14224 MB