Grundfos MP 204 handleiding

40 pagina's
PDF beschikbaar

Handleiding

Je bekijkt pagina 11 van 40
Nederlands (NL)
11
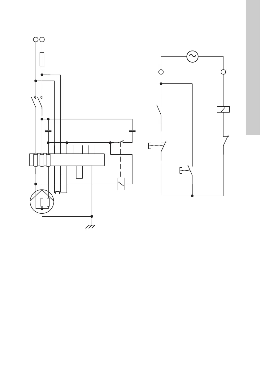
6.5.3 Eénfasesysteem met aanloop- en bedrijfscondensatoren
Afb. 11 Eénfase-aansluiting
TM03 0124 2205
1
2
3
4
13
14
S1
K1
S0
22
21
13
14
K1
96
95
E1
K1
E1
L1
L2
L3
+
C
C
I1
I2
I3
T1
T2
FE
5
A
Y
B
A1
A2
MA
Pt100
CC
L
1
N
1
~
run
start
MP 204
Pt100/Pt1000

Bekijk gratis de handleiding van Grundfos MP 204, stel vragen en lees de antwoorden op veelvoorkomende problemen, of gebruik onze assistent om sneller informatie in de handleiding te vinden of uitleg te krijgen over specifieke functies.

Productinformatie

MerkGrundfos
ModelMP 204
CategorieNiet gecategoriseerd
TaalNederlands
Grootte4048 MB