Growatt SPH 4000-10000TL3 BH-UP handleiding
Handleiding
Je bekijkt pagina 70 van 88

6.6 Communication
6.6.1 Use of USB-A port
The USB port is used for firmware upgrade. With the USB flash drive, you can update the
software. Please refer to the figure below:
Note:
The USB port is only used for firmware update. Do not use it for charging.
Figure 6.35
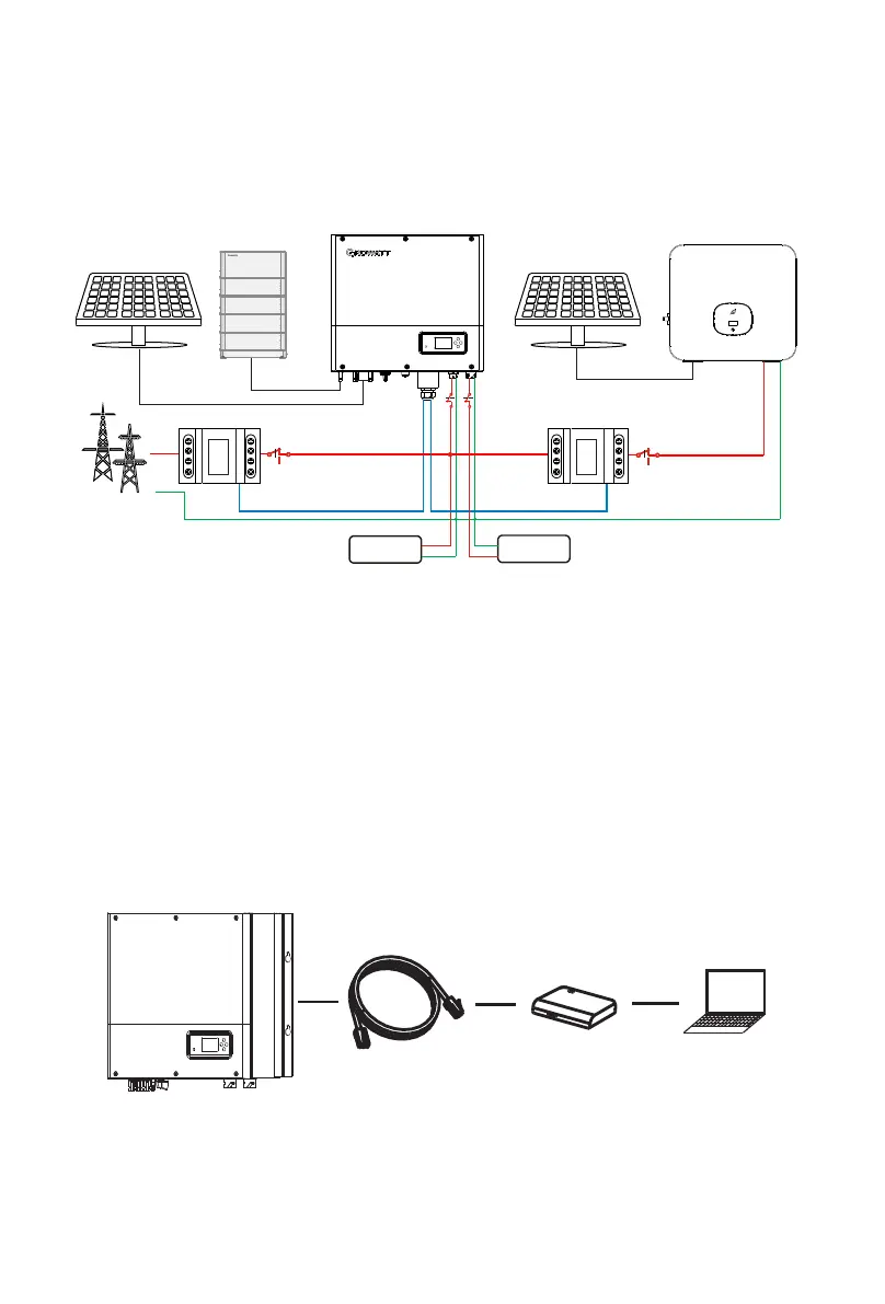
6.6.2 The 485-1/485-2 port
485-1/485-2 port is the extended 485 interface on SPH, which needs to be used in
conjunction with the RS485 Setting in the LCD menu to communicate with external
devices.
Figure 6.36
The master SPH will receive data from two meters simultaneously: Meter 1 (connected to
the Meter port on the SPH) should be connected to the grid-side bus and the
communication cable to the Meter port; Meter 2 should be connected to the output side
of the inverter and the communication cable to the 485-1/485-2 port. For details about
meter wiring, please see Section 5.4.2.
For Circuit Breaker (CB) 2, 3 and 4, the recommended specification is 25A/230V; for CB 1,
the recommended specification is 50A/230V.
The external VPP collector is connected to the 485-1/485-2 port with a network cable.
Once the communication is successfully established, the SPH will respond to the
instructions issued by the VPP.
Figure 6.37
When set to Meter2 mode, the wiring diagram is as follows:
the W wires include L1, L2, L3 and N lines. For the connection of the meter, please see
Section 5.4.2.
Note:
Figure 6.38
UPS Load
Load
Electric meter1
Electric meter2
PE
PV Array
PV Array
Battery
CB 1
CB 2
CB 3
CB 4
PE
W
PE
W
W
PE
RS485 cable
VPP collector
Computer
The SPH inverters can be connected in parallel. For details, please refer to the ShineMaster
User Manual.
66
65
Bekijk gratis de handleiding van Growatt SPH 4000-10000TL3 BH-UP, stel vragen en lees de antwoorden op veelvoorkomende problemen, of gebruik onze assistent om sneller informatie in de handleiding te vinden of uitleg te krijgen over specifieke functies.
Productinformatie
| Merk | Growatt |
| Model | SPH 4000-10000TL3 BH-UP |
| Categorie | Niet gecategoriseerd |
| Taal | Nederlands |
| Grootte | 8645 MB |







