Handleiding
Je bekijkt pagina 27 van 34

WA
RNING!
Do no
t attempt to remove the appliance from the upper side of countertop.
WA
RNING!
The service department shall only be responsible for repair and servicing of the cooking hob. Consult
your specialized kitchen equipment dealer regarding the re-installation (of the flush-mount)
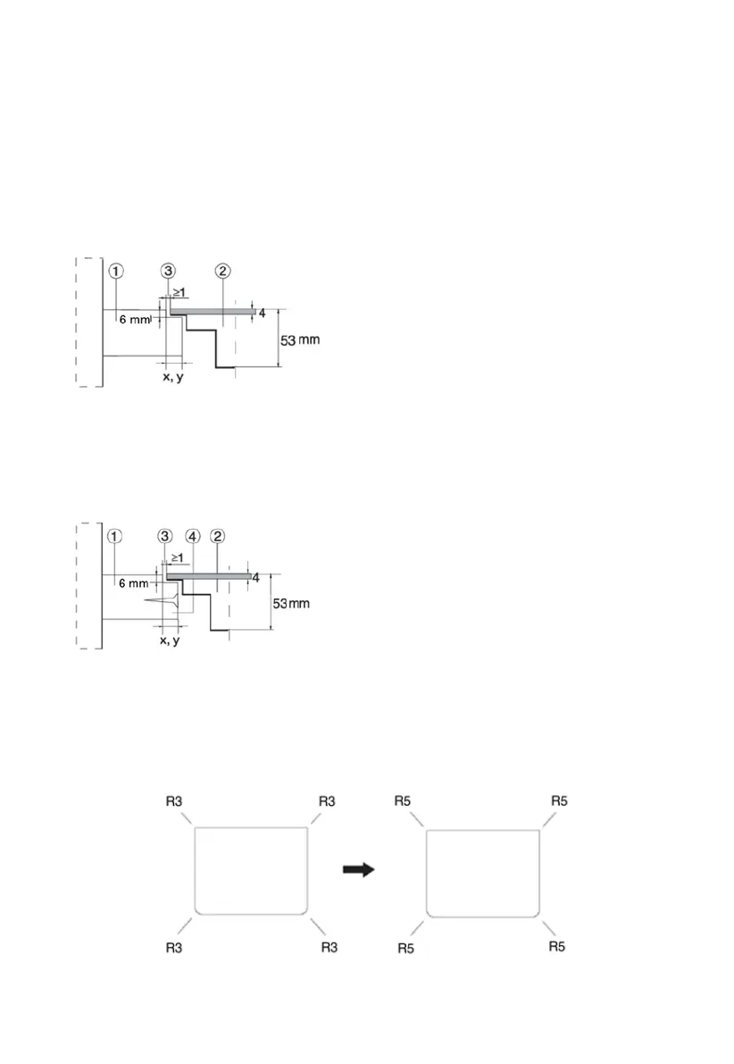
Stone countertop
Given the margin of error (tolerance) for the glass ceramic plate of the appliance, and the cutout in the
countertop, the slot is adjustable (min.2 mm).
Ceramic, wooden, or glass countertop
Given the margin of error (tolerance) for the glass ceramic plate of the appliance, and the cut-out in the
countertop, the slot is adjustable (min. 2 mm). Install the wooden frame 5,5 mm below the upper edge
of the countertop (see figure).
Observe the radii of glass edges (R3) when making the cut-out.
GLA
SS
CUT-
OU
T
1. Co
untertop
2. Appliance
3. Slot
1. Co
untertop
2. Appliance
3. Slot
4. Wooden frame, thickness 16 mm
27
Bekijk gratis de handleiding van Gorenje GI6442BSCE, stel vragen en lees de antwoorden op veelvoorkomende problemen, of gebruik onze assistent om sneller informatie in de handleiding te vinden of uitleg te krijgen over specifieke functies.
Productinformatie
| Merk | Gorenje |
| Model | GI6442BSCE |
| Categorie | Fornuis |
| Taal | Nederlands |
| Grootte | 2860 MB |







