Goodwe GW50K-SDT-C30 handleiding
Handleiding
Je bekijkt pagina 13 van 127

03 Product Introduction
9
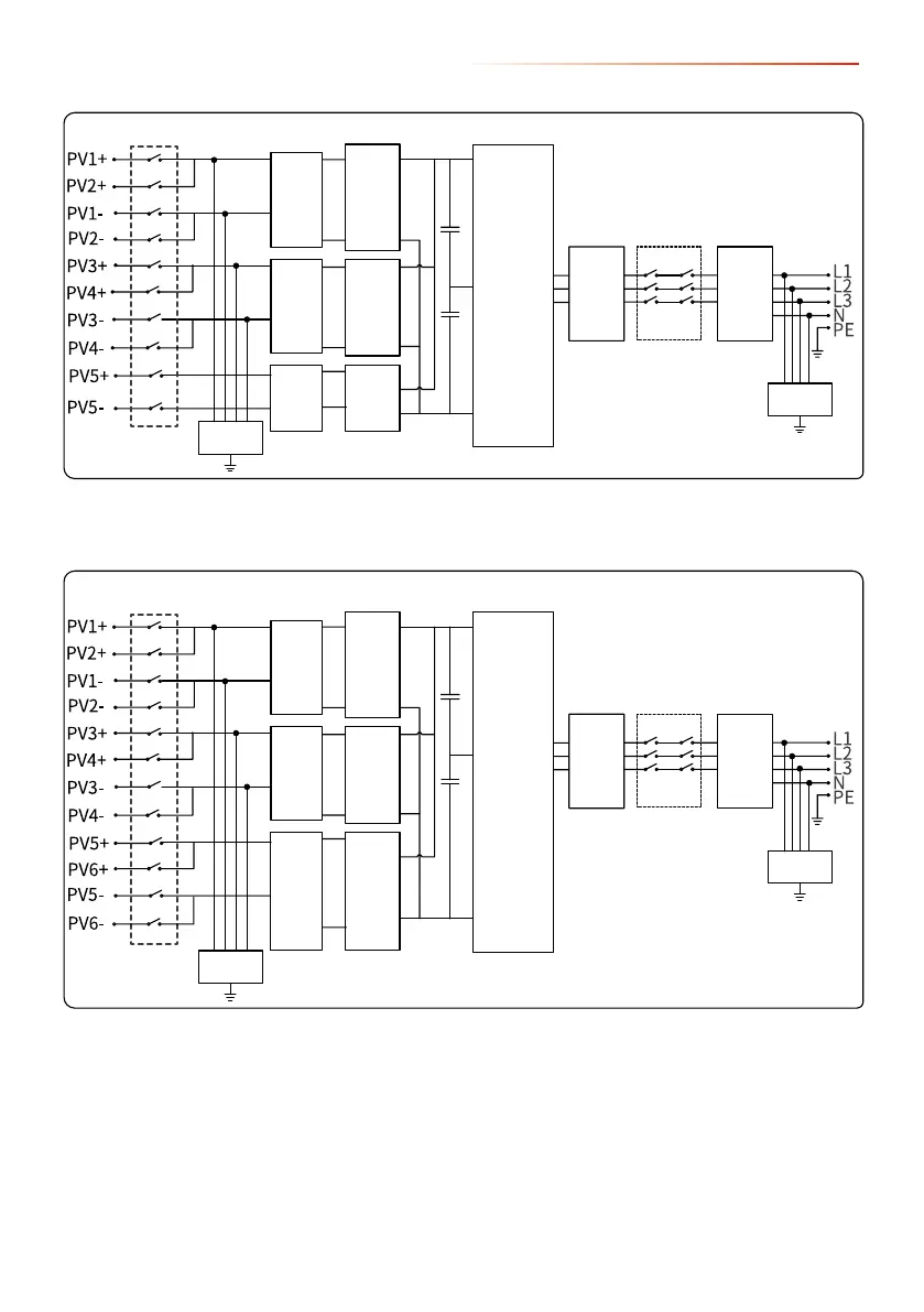
MPPT3
MPPT1
MPPT2
DC SWITCH
DC SPD
EMI
Filter
EMI
Filter
DC/AC
inverter
circuit
AC SPD
LC
Filter
Output
disconnecting
RELAY
EMI
Filter
EMI
Filter
DC SWITCH
DC SPD
EMI
Filter
EMI
Filter
DC/AC
inverter
circuit
AC SPD
LC
Filter
Output
disconnecting
RELAY
EMI
Filter
EMI
Filter
MPPT3
MPPT1
MPPT2
EMI
Filter
GW15K-SDT-AU30,GW20K-SDT-AU30:
GW25K-SDT-AU30,GW29K9-SDT-AU30,GW25K-SDT-30,GW30K-SDT-30,GW23KLV-SDT-BR30
,GW37K5-SDT-BR30,GW33K-SDT-C30,GW36K-SDT-C30,GW40K-SDT-C30:
Bekijk gratis de handleiding van Goodwe GW50K-SDT-C30, stel vragen en lees de antwoorden op veelvoorkomende problemen, of gebruik onze assistent om sneller informatie in de handleiding te vinden of uitleg te krijgen over specifieke functies.
Productinformatie
| Merk | Goodwe |
| Model | GW50K-SDT-C30 |
| Categorie | Niet gecategoriseerd |
| Taal | Nederlands |
| Grootte | 11037 MB |







