Goodwe GW10K-MS handleiding
Handleiding
Je bekijkt pagina 10 van 60

03 Product Introduction
6
User Manual V2.2-2025-07-24
PV1+
PV1-
PV2+
PV2-
L
N
PE
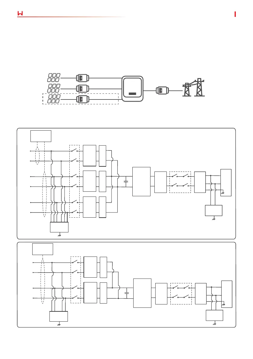
3 Product Introduction
3.1 Application Scenarios
The MS inverter is a single-phase PV string grid-tied inverter. The inverter converts the DC
power generated by the PV module into AC power and feeds it into the utility grid. The intended
use of the inverter is as follows:
PV String
Inverter
Circuit
Breaker
Circuit Breaker
(optional)
Utility
Grid
3.2 Circuit Diagram
For GW5000-MS-30, GW6000-MS-30, GW7000-MS-30,
GW8500-MS-30,GW9900-MS-30, GW10K-MS-30.
For GW7000-MS-C30, GW8000-MS-C30.
optional
PV1+
PV1-
PV2+
PV2-
PV3+
PV3-
L
N
PE
DC SWITCH
DC
SPD
DC
SPD
DC
EMC
Filter
DC
EMC
Filter
DC
EMC
Filter
DC
EMC
Filter
DC
EMC
Filter
MPPT1
MPPT1
MPPT2
MPPT2
MPPT3
AFCI
check
AFCI
check
ARC
sensor 2
ARC
sensor 1
AC
EMC
FILTER
AC
EMC
FILTER
AC
SPD
AC
SPD
DC/AC
Inverter
Circuit
DC/AC
Inverter
Circuit
BUS
BUS
Output
disconnecting
RELAY
Output
disconnecting
RELAY
LC
FILTER
LC
FILTER
Bekijk gratis de handleiding van Goodwe GW10K-MS, stel vragen en lees de antwoorden op veelvoorkomende problemen, of gebruik onze assistent om sneller informatie in de handleiding te vinden of uitleg te krijgen over specifieke functies.
Productinformatie
| Merk | Goodwe |
| Model | GW10K-MS |
| Categorie | Niet gecategoriseerd |
| Taal | Nederlands |
| Grootte | 6944 MB |







