GLP FUSION Exo Beam 10 handleiding

40 pagina's
PDF beschikbaar

Handleiding

Je bekijkt pagina 38 van 40
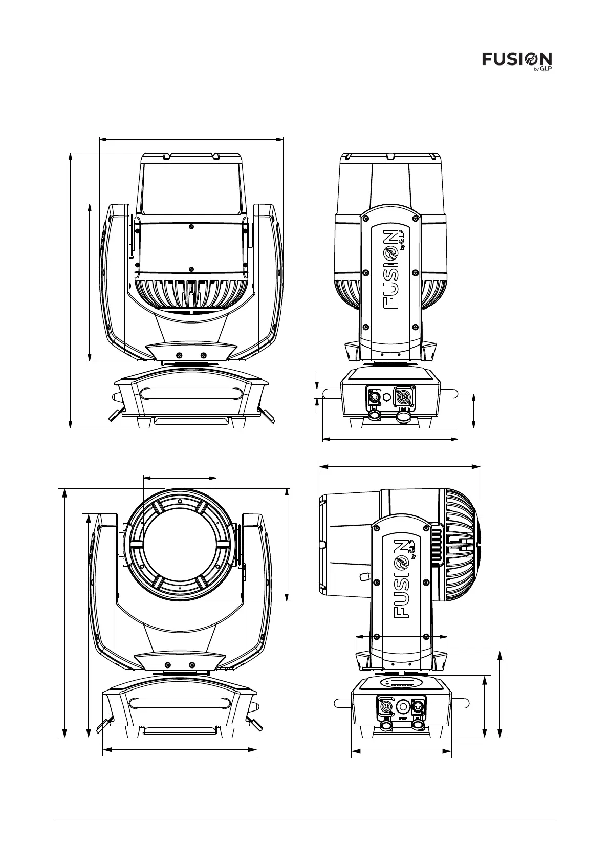
www.glp.de Dimensions
38 EXO Beam 10 User Manual Rev. A
15. Dimensions
All dimensions are in millimeters
569
325
516
129
180
380
279
150
318
207
188
20
72
233
463
334

Bekijk gratis de handleiding van GLP FUSION Exo Beam 10, stel vragen en lees de antwoorden op veelvoorkomende problemen, of gebruik onze assistent om sneller informatie in de handleiding te vinden of uitleg te krijgen over specifieke functies.

Productinformatie

MerkGLP
ModelFUSION Exo Beam 10
CategorieVerlichting
TaalNederlands
Grootte4339 MB