Ghibli & Wirbel ROUND 45 D 55 TOUCH handleiding

248 pagina's
PDF beschikbaar

Handleiding

Je bekijkt pagina 28 van 248
www.ghibliwirbel.com
Professional Cleaning Machines Since 1968
ITALIANO -
22
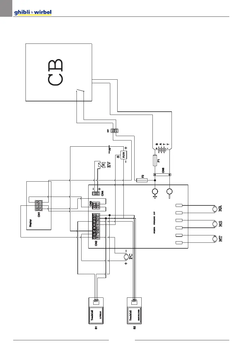
SCHEMA ELETTRICO
ROUND TOUCH 45 M55 - 45 D55 - 45 D60
MAN_ROUND45TOUCHECO_5ed_04-2023_49026000.indd 22MAN_ROUND45TOUCHECO_5ed_04-2023_49026000.indd 22 30/03/2023 08:40:5730/03/2023 08:40:57

Bekijk gratis de handleiding van Ghibli & Wirbel ROUND 45 D 55 TOUCH, stel vragen en lees de antwoorden op veelvoorkomende problemen, of gebruik onze assistent om sneller informatie in de handleiding te vinden of uitleg te krijgen over specifieke functies.

Productinformatie

MerkGhibli & Wirbel
ModelROUND 45 D 55 TOUCH
CategorieBoenmachine
TaalNederlands
Grootte29066 MB