Ghibli & Wirbel ROUND 45 D 55 BC CHEM TOUCH handleiding

32 pagina's
PDF beschikbaar

Handleiding

Je bekijkt pagina 28 van 32
www.ghibliwirbel.com
Professional Cleaning Machines Since 1968
ENGLISH -
22
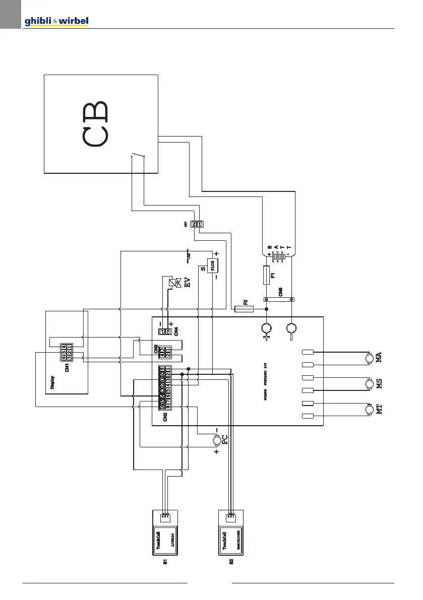
WIRING DIAGRAM
ROUND TOUCH 45 M55 - 45 D55 - 45 D60
MAN_ROUND45TOUCHECO_5ed_04-2023_49026000.indd 22MAN_ROUND45TOUCHECO_5ed_04-2023_49026000.indd 22 30/03/2023 08:42:4230/03/2023 08:42:42

Bekijk gratis de handleiding van Ghibli & Wirbel ROUND 45 D 55 BC CHEM TOUCH, stel vragen en lees de antwoorden op veelvoorkomende problemen, of gebruik onze assistent om sneller informatie in de handleiding te vinden of uitleg te krijgen over specifieke functies.

Productinformatie

MerkGhibli & Wirbel
ModelROUND 45 D 55 BC CHEM TOUCH
CategorieBoenmachine
TaalNederlands
Grootte3064 MB