Gentrax GTX6600 handleiding
Handleiding
Je bekijkt pagina 18 van 18

17
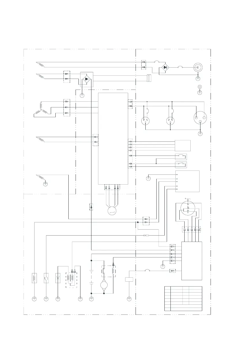
WIRING DIAGRAM
240V
Y/G
R
BL
AC OUTPUT
BL
BL
BL
BL
BL
BL
W
W
INVERTER
UNIT
R
PI
BL
BR
GR
P
W
O
R
R
SUB
WINDING
MAIN
WINDING
M
Y
O
PI
Bu
IGNITION
WINDING
OIL SENSOR
DC
WINDING
DC
WINDING
Bu
Bu
Bu
Bu
SPARK PLUG
SPRING WINDING
BATTERY
START MOTOR
1
2
3
4
5
CONTROL PANEL BLOCK
GENERATOR BLOCK
ENGINE BLOCK
ELE VALVE
ELECTRIC MAGNET
ELECTRIC LOCK
GROUND
TERMINAL
BL
Bu
BL/W
W
G
IGNITION
CONTROLLER
ECON. SWITCH
STEPPER MOTOR ASSY.
GRAY
BLACK/WHITE
PI
Gr
PINK
BL/W
ORANGE
YELLOW
O
Y
BL
Bu
BLACK
BLUE
BROWN
RED
Br
R
W WHITE
G GREEN
P PURPLE
W
BL P
W
IGNITION COIL
BL O
R
Y/G
R
BL
P
W
Gr
R
BL
Bu
BL
FUSE 5A
O
Y
W
R
BL
O
R
Y
W
BL
Bu
RW
REMOTE
UNIT
RECTIFIER
DC 12V OUTPUT
Bu
Bu
Bu
Bu
Bu
BL
FUSE 15A
R
DC PROTECTOR 6A
YELLOW/GREENY/G
DC5V OUTPUT
Bu
OUTPUT RESET
U-I-P-Hz-T
R
Y/G
PROTECTOR
15A
PROTECTOR
15A
Bekijk gratis de handleiding van Gentrax GTX6600, stel vragen en lees de antwoorden op veelvoorkomende problemen, of gebruik onze assistent om sneller informatie in de handleiding te vinden of uitleg te krijgen over specifieke functies.
Productinformatie
| Merk | Gentrax |
| Model | GTX6600 |
| Categorie | Niet gecategoriseerd |
| Taal | Nederlands |
| Grootte | 2624 MB |



