Gentrax GTX3500 handleiding
Handleiding
Je bekijkt pagina 19 van 22

18
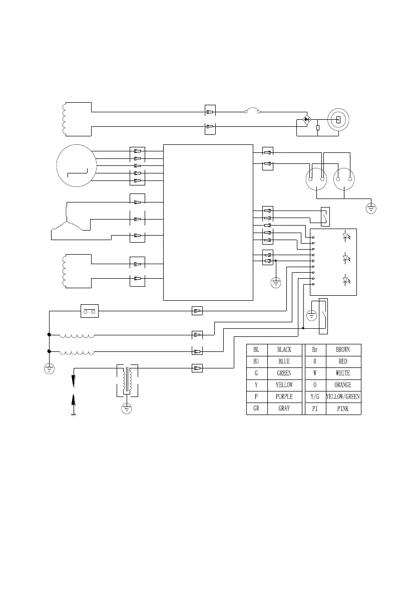
9.WIRING DIAGRAM
2600i, 3500i
Invert cell
PILOT
OVERLOAD
LOW OIL
M
Oil sensor
R
R
BU
BU
BU
BU
BL
BL
BL
BL
BL
BL
W
W
BL
BL
BL
DC winding
Stepping motor
Main
Control
winding
winding
Economic
switch
R
High
pressure
wrap
Spark
plug
BL
W
Spring winding
Ignition winding
R
BL
BR
GR
P
Y/G
W
O
BU
BU
Engine
switch
BREAKER
R
BL BL
Y/G
R
Bekijk gratis de handleiding van Gentrax GTX3500, stel vragen en lees de antwoorden op veelvoorkomende problemen, of gebruik onze assistent om sneller informatie in de handleiding te vinden of uitleg te krijgen over specifieke functies.
Productinformatie
| Merk | Gentrax |
| Model | GTX3500 |
| Categorie | Niet gecategoriseerd |
| Taal | Nederlands |
| Grootte | 3224 MB |



