Handleiding
Je bekijkt pagina 4 van 32

4 49-7819-1
Features and appearance will vary.
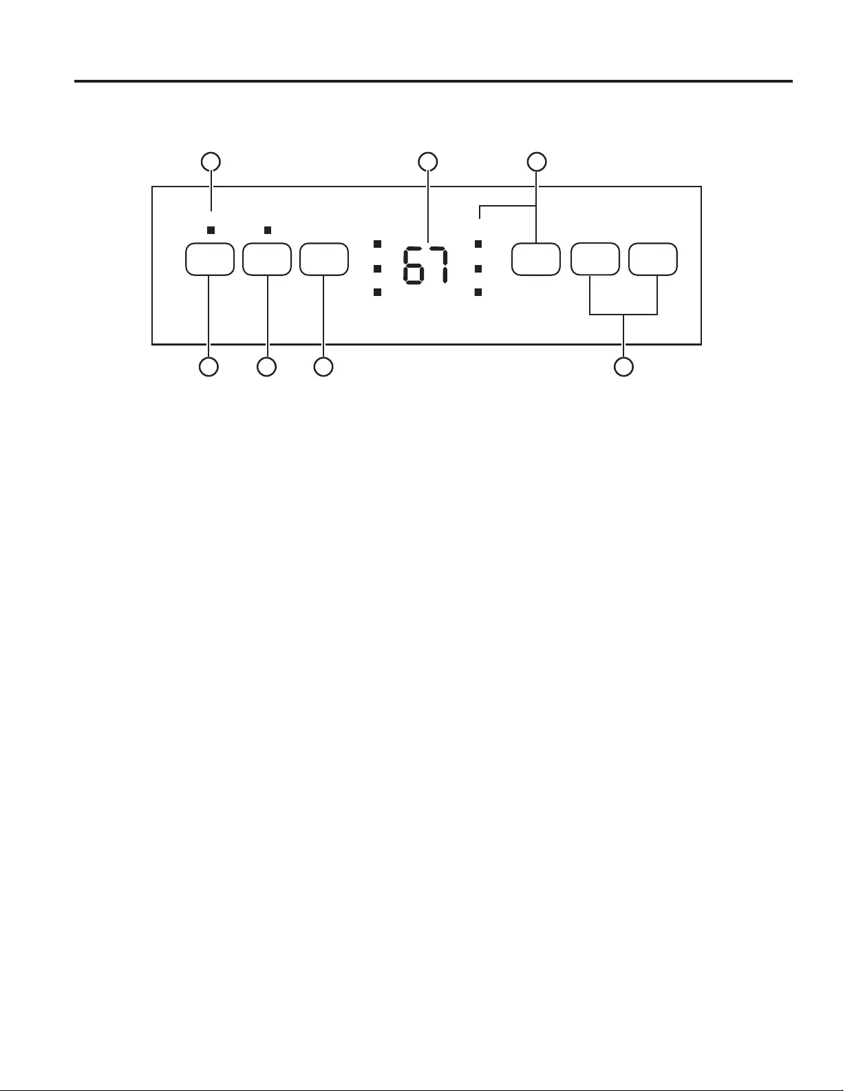
Lights next to the touch pads on the air conditioner control panel indicate the selected settings.
Controls
1. Power Control
The power control turns the unit on and off.
The louvers will automatically open when the power is
turned on.
2. Timer
Auto Turn Off:
With machine in running mode, press timer button to
select number of hours you would like the unit to run
in air conditioning mode until it automatically shuts off.
Auto Turn On:
With machine in stand by mode, press timer button to
select number of hours until you would like the unit to
automatically start running in air conditioning mode.
3. Mode Control
The mode control has three settings: COOL, DRY,
and FAN. The settings are adjusted with Mode
Control button. A light will indicate which setting is
currently being used.
Cooling Mode.
When cool mode is selected, the indicator light turns
green. During the cooling mode the air is cooled and
hot air is exhausted to the outside through the exhaust
tube. Adjust fan speed and air temperature to suit
your desired comfort level. NOTE: The air exchange
hose must vent outside the room when using cool
mode.
Dry Mode - Dehumidification.
When dehumidify mode is selected, the indicator light
turns green. Air is dehumidified as it passes through
the unit, without being in full cooling mode. If room
temperature is higher than 77 degrees Fahrenheit, fan
speed can be adjusted; otherwise fan speed is fixed
to “Low”. NOTE: If the unit is to be used as a
dehumidifier, do not connect the exhaust hose let
the warm air return to the room. Continuous water
drainage is then necessary (see page 8).
Fan Mode
When fan mode is selected the indicator light will
shine green. Air is circulated throughout the room
with no cooling. NOTE: Unit does not need to be
vented in Fan mode.
4. Fan Speed Control
The Fan Speed Control has 2 settings: High and Low.
Hold the FAN button for 3 seconds, the fan will
continue running even when the compressor stops
due to the set temperature being reached. The
constant Cool indicator light will come on.
5. Timer/Temp Set Controls
• Used for adjusting the timer and thermostat.
• The default display is room temperature.
• In cooling mode when + or - button is pressed, the
set temperature is displayed and may be adjusted.
After 10 seconds the display will revert back to room
temperature. Temperature is only adjustable in cool
mode. The time is adjustable between 1-24 hours.
NOTE: By pressing both + and - buttons at the
same time, the display will toggle between Celsius
and Fahrenheit. The temperature cannot be
adjusted in the fan or dehumidification modes.
6. Display
7. Warning Light
Condensed water may accumulate in the unit. If the
internal tank becomes full, the warning light will light
up and the unit will not operate until the unit has been
drained.
Air Conditioner Controls
USING THE AIR CONDITIONER
Controls
COOL
DRY
FAN
CONSTANT
COOL
Hold 3 Sec for
Constant Cool
HIGH
LOW
POWER TIMER MODE
FAN
_
+
FULL
1 2 3
47 6
5
Bekijk gratis de handleiding van GE APCA08NYLW, stel vragen en lees de antwoorden op veelvoorkomende problemen, of gebruik onze assistent om sneller informatie in de handleiding te vinden of uitleg te krijgen over specifieke functies.
Productinformatie
Merk | GE |
Model | APCA08NYLW |
Categorie | Airco |
Taal | Nederlands |
Grootte | 3616 MB |