Furuno FM-8900S handleiding
Handleiding
Je bekijkt pagina 135 van 151

APPX. 4 DIGITAL INTERFACE
AP-23
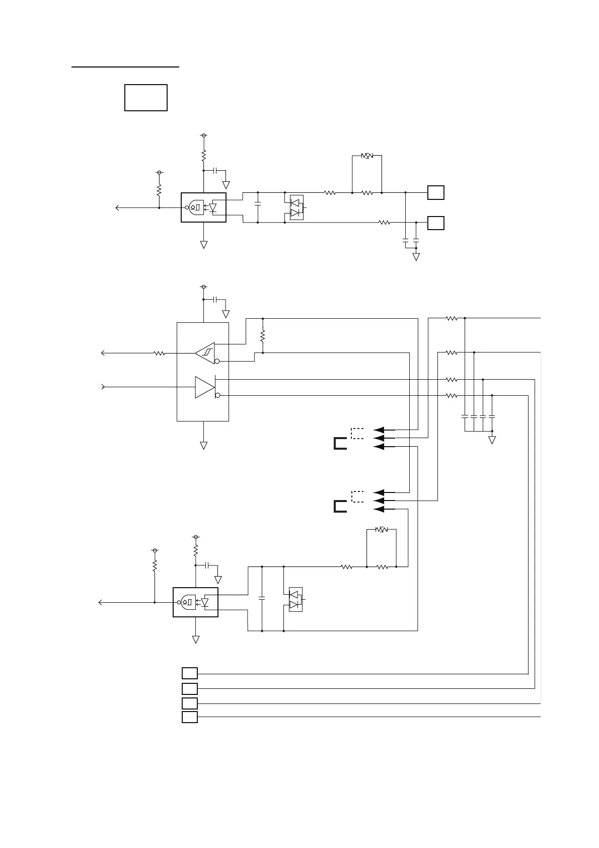
Schematic diagram
Load requirements as a listener
Isolation: Optocoupler Input impedance: 430 Max. voltage: ±15 V Threshold: 4 mA
MAIN
05P0843
[GNSS_SIO] Input only
+3.3V
GNSS_IN
4
3
1
5
PC400
6
0.1
µ
2.2k
10
100p
1SS226
0
100
390
GNSS_RD-H
GNSS_RD-C
21
22
1000p
10
1000p
+3.3V
J1
JUNCTION
(Not mount)(Not mount)
+3.3V
4
1
0.1
µ
RS422_RXD
RS422_TXD
22
2 R
3 D
VCCGND
SN65HVD30DR
A 8
B 7
Y 5
Z 6
120
0.5W
J17
Z_149_3P
1
2
3
RS-422
IEC61162-1
(default)
RS-422
J18
Z_149_3P
1
2
3
MULTI_RD-B
MULTI_RD-A
MULTI_TD-B
MULTI_TD-A
5
PC400
6
0.1
µ
10
1
3
4
NMEA_RXD
2.2k
100p
100
390
0
10
10
13
14
10
15
10
16
[MULTI_SIO]
100px4
IEC61162-1
(default)
+3.3V
+3.3V
(Not mount)(Not mount)
J1 JUNCTION
1SS226
Bekijk gratis de handleiding van Furuno FM-8900S, stel vragen en lees de antwoorden op veelvoorkomende problemen, of gebruik onze assistent om sneller informatie in de handleiding te vinden of uitleg te krijgen over specifieke functies.
Productinformatie
| Merk | Furuno |
| Model | FM-8900S |
| Categorie | Niet gecategoriseerd |
| Taal | Nederlands |
| Grootte | 18955 MB |







