Furuno FM-4850 handleiding
Handleiding
Je bekijkt pagina 131 van 135

FM-4850 Operator’s Manual
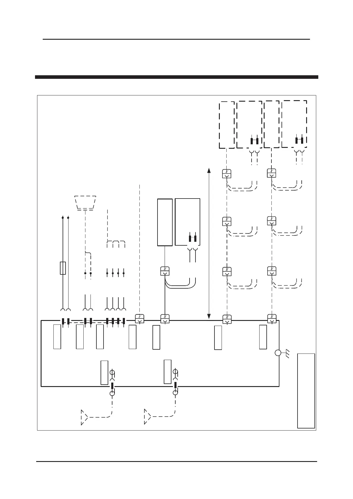
INTERCONNECTION
121
INTERCONNECTION
MARINE VHF
RADIOTELEPHONE
FM-4850
VHF ANT(1)
RG-58/U 10m
VHF ANT
5
T-CONNECTOR
FRU-NMEA-PFF MAX 6m (2)
NMEA2000
POWER
RED
BLACK
1
2Power (-)
Hailer
RED
BLACK
Hailer-
3
4
Hailer+
Horn Speaker 4Ω1
Power 12VDC (1)
2m
0.4m
VCTF 1.25sq 2C
MAX 15m (1)
RD (H) 7
8RD (C)
5
6TD (B)
TD (A)
WHITE
BROWN
YELLOW
GREEN
MJ-A6SPF003
MAX 5m (1)
0.4m
NMEA0183
8A
For example : Standard Horizon 240SW
Power (+)
YELLOW
GREEN
WHITE
BROWN
NAV EQUIPMENT
(1) SHIPYARD SUPPLY.
(2) OPTION.
GND
(1)
12
12
EX-CBL-FM5M
5m
(Max 30m)
0.5m
SPK- SPK+
HANDSET
HS-4800
PURPLE
GRAY
Max 30m
HS1
SPK-2
1 SPK+
SPEAKER
SP-4800
2m
0.7m
(Max tensible 2m)
12
12
0.5m
SPK- SPK+
12
12
0.5m
SPK- SPK+
HANDSET
HS-4800 (2)
PURPLE
GRAY
HS2
SPK-2
1 SPK+
SPEAKER
SP-4800 (2)
2m
0.5m
SPK- SPK+
12
12
0.5m
SPK- SPK+
12
12
0.5m
SPK- SPK+
HANDSET
HS-4800 (2)
PURPLE
GRAY
HS3
SPK-2
1 SPK+
SPEAKER
SP-4800 (2)
2m
0.5m
SPK- SPK+
GPS ANT(2)
TNC-P-3 5m, φ5.3
GPS ANT
GPA-017/GPA-017S
EX-CBL-FM10M 10m (2)
EX-CBL-FM5M 5m (2)
Bekijk gratis de handleiding van Furuno FM-4850, stel vragen en lees de antwoorden op veelvoorkomende problemen, of gebruik onze assistent om sneller informatie in de handleiding te vinden of uitleg te krijgen over specifieke functies.
Productinformatie
| Merk | Furuno |
| Model | FM-4850 |
| Categorie | Niet gecategoriseerd |
| Taal | Nederlands |
| Grootte | 19696 MB |







