Furuno FM-4850 handleiding

135 pagina's
PDF beschikbaar

Handleiding

Je bekijkt pagina 129 van 135
FM-4850 Operators Manual
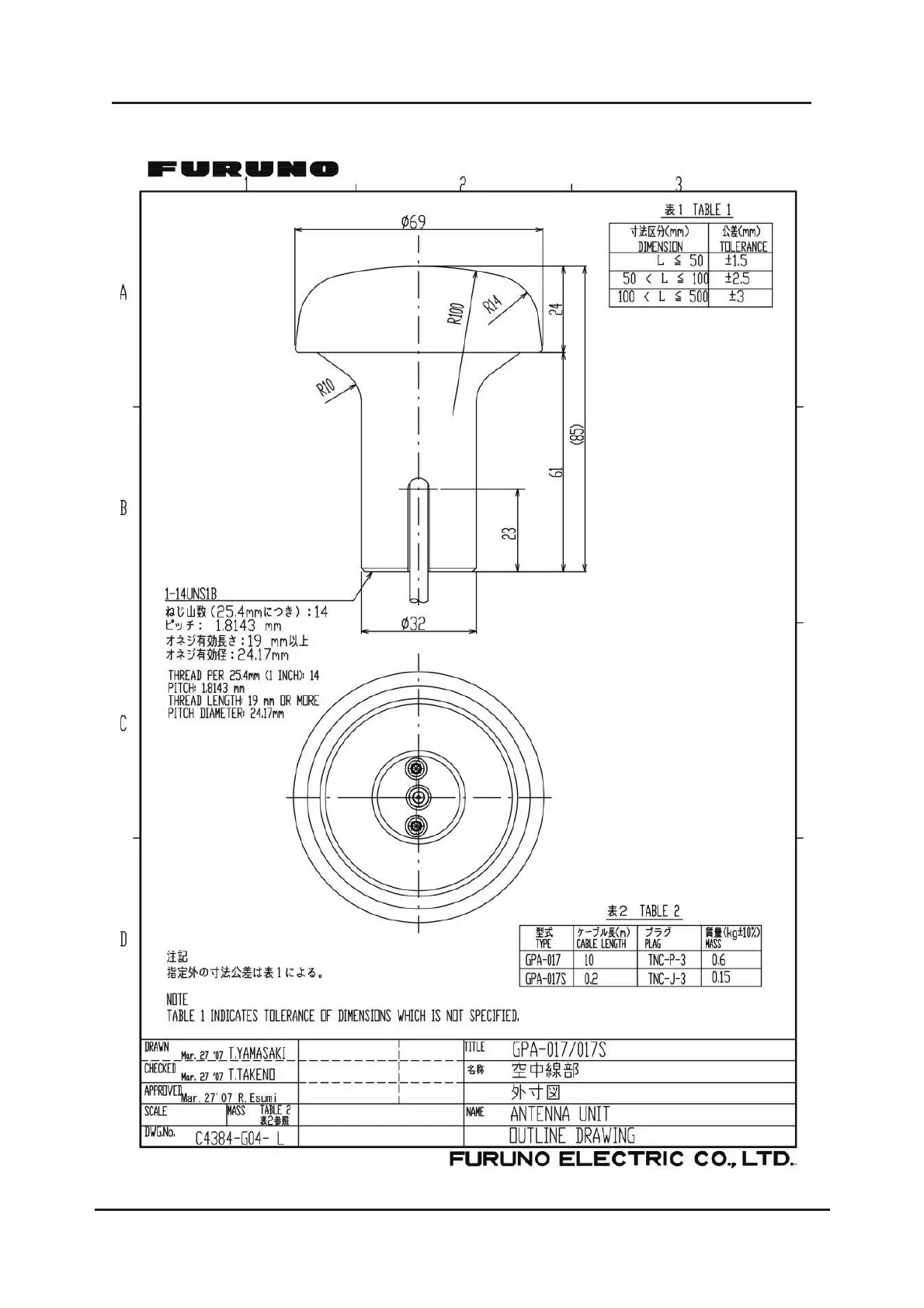
OUTLINE DRAWINGS
119

Bekijk gratis de handleiding van Furuno FM-4850, stel vragen en lees de antwoorden op veelvoorkomende problemen, of gebruik onze assistent om sneller informatie in de handleiding te vinden of uitleg te krijgen over specifieke functies.

Productinformatie

MerkFuruno
ModelFM-4850
CategorieNiet gecategoriseerd
TaalNederlands
Grootte19696 MB