Handleiding
Je bekijkt pagina 69 van 90

73 73
COMPONENT TESTING
Compressor Checks
WARNING
ELECTRIC SHOCK HAZARD
Turn off electric power before service or
installation.
All electrical connections and wiring MUST be
the National Electrical Code and all local codes
which have jurisdiction.
Failure to do so can result in personal injury or
death.
BURN HAZARD
Proper safety procedures must be followed,
and proper protective clothing must be worn
when working with a torch.
Failure to follow these procedures could
result in moderate or serious injury.
WARNING
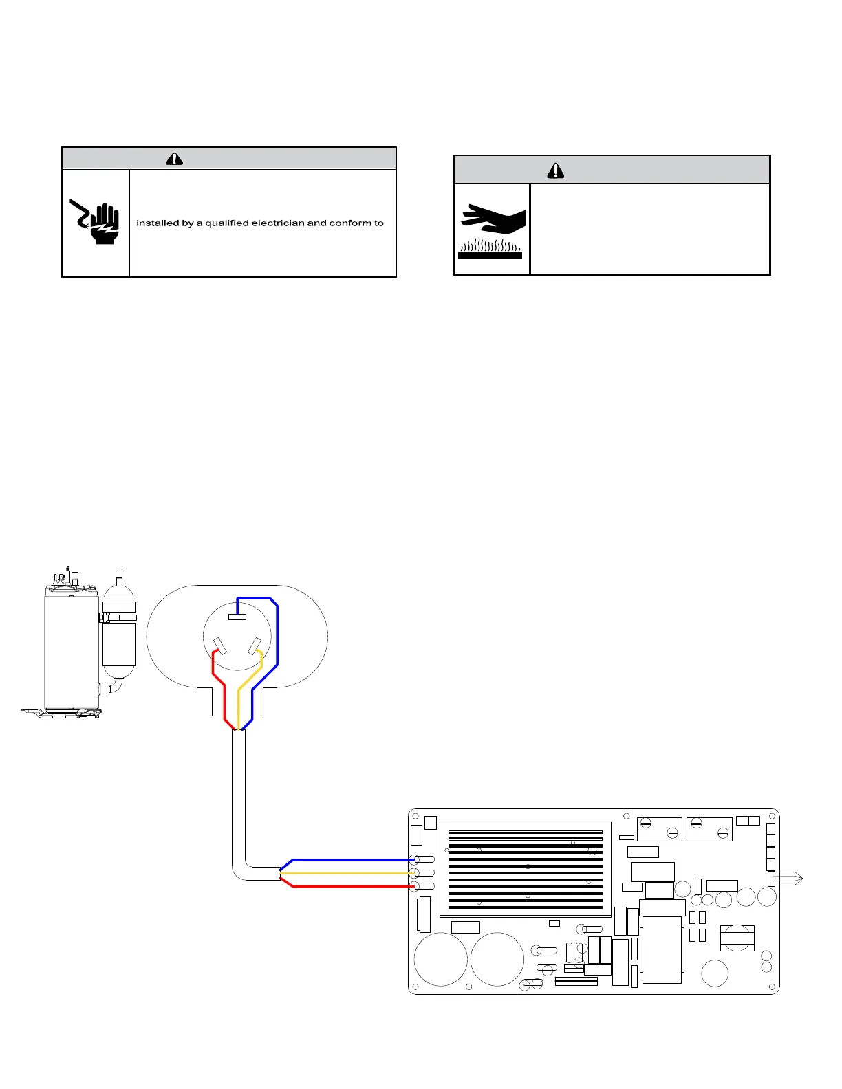
Resistance Test.
1. Access the main PCB.
2. Locate and disconnect the motor winding leads shown in the gure
below.
U= Blue V= Yellow W= Red
3. Using an OHM Meter, check resistance from U to V, U to W, and V to to W.
All of the readings should be within 0.1 ohms of each other.
A difference of more than 0.1 ohms indicates that windings may be
damaged and the compressor should be replaced.
NOTE: Actual OHM values may vary due to temperature of the
compressor.
4. Using a MegOhm Meter, check the motor windings for a short to ground.
Measure the resistance of each winding to ground.
A reading of less than 10 Megohms indicates that the motor
windings may be damaged and the compressor should be replaced..
U
W
V
EH2
RELAY
BLU
YEL
RED
U
W
V
RV1
EH1
RELAY
RV1
RELAY
RE-400
RE-401
RV2
L2/N
GND
L1/L
HARNESS
COMP WIRE
Figure 703
Bekijk gratis de handleiding van Friedrich WallMaster WCVT12B30A, stel vragen en lees de antwoorden op veelvoorkomende problemen, of gebruik onze assistent om sneller informatie in de handleiding te vinden of uitleg te krijgen over specifieke functies.
Productinformatie
| Merk | Friedrich |
| Model | WallMaster WCVT12B30A |
| Categorie | Airco |
| Taal | Nederlands |
| Grootte | 17785 MB |







