Fostex FM-4 handleiding
Handleiding
Je bekijkt pagina 10 van 28

10
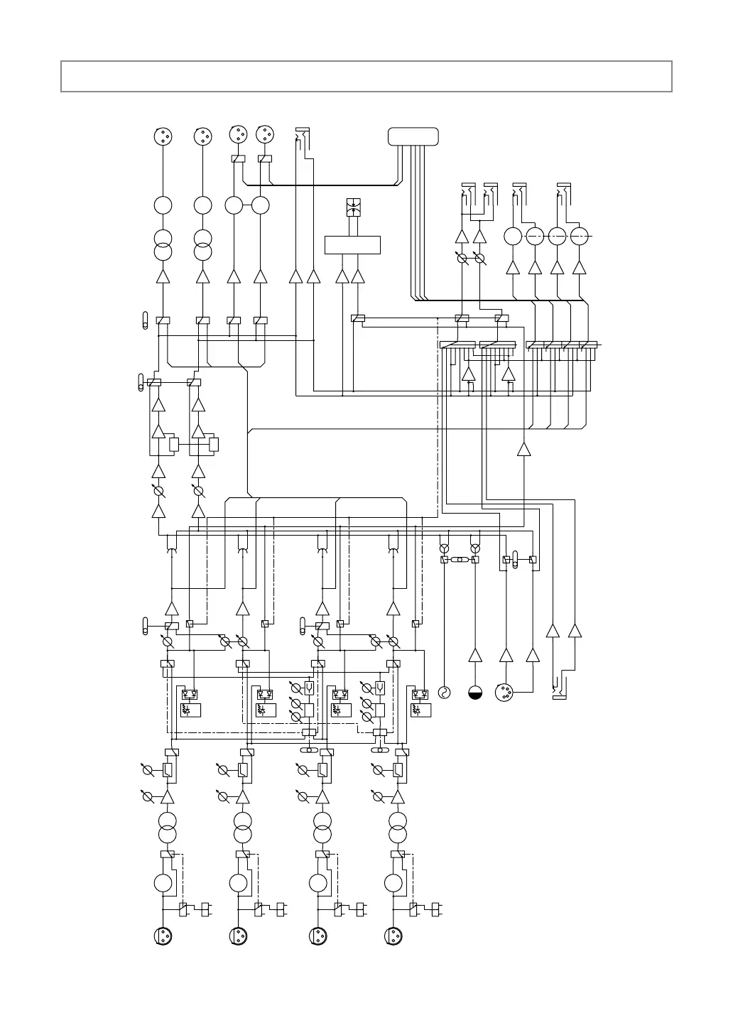
ブロック・ダイヤグラム
P
P
P
BAL
BAL
P
BAL
BAL
P
P
P
MINI-JACK
BA
BA
BAL
BAL
MIX
MIX
MIX
MINI-JACK
BA
BA
HA
HA
HA
HPF
HPF
HPF
BA
BA
BA
MINI-JACK
BA
BA
HA
MINI-JACK
STD-JACK(6.3)
HA
MIX
HA
HPF
P
BA
P
P
L
C
R
L
C
R
L
C
R
L
C
R
MIX
MIC
AGC
BA
RMS
VCA
BA
RMS
BA
BA
VCA
P.EQ
P.EQ
1
2
3
1
2
3
1
2
3
1
2
3
P
BA
P
MINI-JACK
BA
RTN_L
RTN_L
RTN_R
RTN_R
POST[1]
POST[2]
POST[3]
POST[4]
MIX_BUS_R MIX_BUS_R
MIX_BUS_L MIX_BUS_L
PFL_ON
PFL_ON
POST[1]
POST[2]
POST[3]
POST[4]
TONE
MIC
PFL
PFL_BUSPFL_BUS
HA_OUT[4]
HA_OUT[3]
HA_OUT[2]
HA_OUT[1]
POST[1]
POST[2]
POST[3]
POST[4]
POST[1-4]
L+R
MON_L
MON_L
MON_L
MON_L
MON_L
MON_L
MON_R
MON_R
MON_R
MON_R
MON_R
MON_R
MON_R
AUX_IN_R
AUX_IN_R
AUX_IN_L
AUX_IN_L
AUX1_L
AUX1_R
AUX2_L
AUX2_R
AUX2_R
AUX2_L
AUX1_R
AUX1_L
AUX1_L
AUX1_R
AUX2_L
AUX2_R
D_OUT_L
D_OUT_R
D_OUT_R
D_OUT_L
T12P48
MIC POWER
LINE
MIC
LINE MIC
MIC POWER
MIC
MIC
P48
LINE
T12
LINE
MIC POWER
MIC
MIC
P48
LINE
T12
LINE
+4/0/-10/-60dBu
+4/0/-10/-60dBu
+4/0/-10/-60dBu
TAPE OUT
MAIN OUT L
MAIN OUT R
SUB OUT L
AUX MIX SW
AUX IN
CH1 IN
CH2 IN
CH3 IN
AUX OUT1
-10/-60dBV
LINE:(+ 4 ~ -20dBu)
MIC :(-30 ~ -70dBu)
LINE:(+ 4 ~ -20dBu)
MIC :(-30 ~ -70dBu)
LINE:(+ 4 ~ -20dBu)
MIC :(-30 ~ -70dBu)
PAN
PEAK
DET.
+4dBu
RTN
R
HP.VOL.
L+R
L+R
AUX
R
RTN
L
L/R
PHONE1
L
L/R
AUX
PHONE2
RTN
L-R
MS
MS
L-R
L-R
MON_SEL
AUX_SEL
P48
LINE:(+ 4 ~ -20dBu)
MIC :(-30 ~ -70dBu)
LINE
MIC POWER
CH4 IN
T12
MICLINE
MIC
MIX DIRECT
SOURCE SEL
PAN
PAN
PFL2
PFL3
PFL4
PFL1
LINK
OFF ON
LINK
OFF ON
PAN
MIC
OSC:1kHz
OFF
1kHz
ON
OFF
LIMITER
LINK
LINK
OFF
ON
OFF
ON
MPU
OLED METER
VU&PEAK
INTEGRAL
CH2
EQ
EQ
CH1
OFF
ON
ON
EQ
OFF
OFF
CH4
EQ SEL
EQ SEL
OFF
EQ
OFF
ON
CH3
ON
OFF
PEAK
DET.
PEAK
DET.
PEAK
DET.
SUB OUT R
AUX OUT2
-10/-60dBV
1/2
OFF
L+R
L/R
1/2
OFF
L+R
L/R
OFF
L+R
L+R
L/R
3/4
L/R
3/4
OFF
O.P.
Port
-10/-60dBV
GAINGAINFRQ
GAINFRQ GAIN
DIGITAL OUT
OPTION
Bekijk gratis de handleiding van Fostex FM-4, stel vragen en lees de antwoorden op veelvoorkomende problemen, of gebruik onze assistent om sneller informatie in de handleiding te vinden of uitleg te krijgen over specifieke functies.
Productinformatie
| Merk | Fostex |
| Model | FM-4 |
| Categorie | Niet gecategoriseerd |
| Taal | Nederlands |
| Grootte | 7809 MB |
