FORS BCDV 4000 NG handleiding

37 pagina's
PDF beschikbaar

Handleiding

Je bekijkt pagina 35 van 37
35
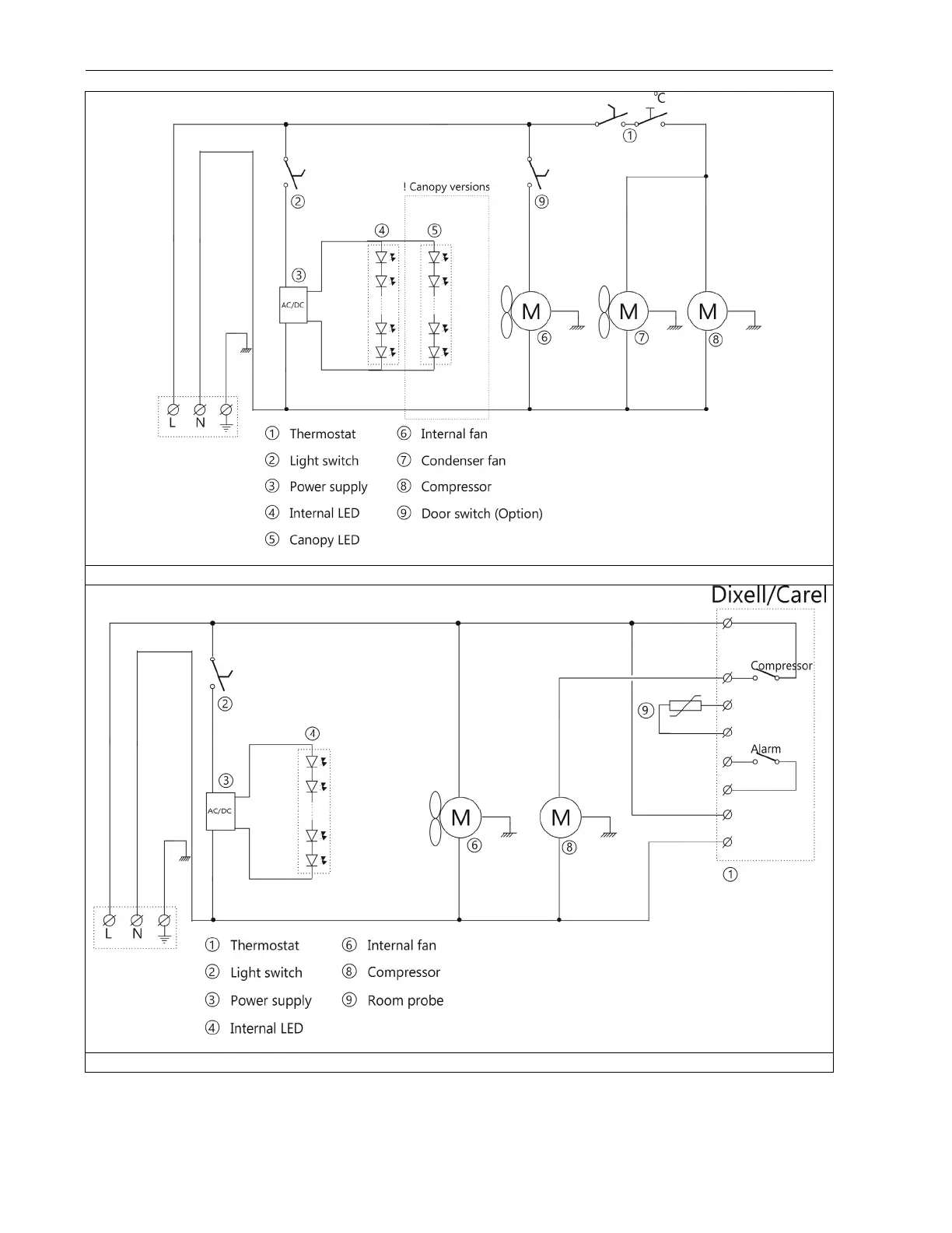
BCV 4000 NG, BCDV 4000 NG, BCV 4000 WG, BCDV 4000 WG, BCDV 1500 WG
WK 184118 N, WK 184118 NG

Bekijk gratis de handleiding van FORS BCDV 4000 NG, stel vragen en lees de antwoorden op veelvoorkomende problemen, of gebruik onze assistent om sneller informatie in de handleiding te vinden of uitleg te krijgen over specifieke functies.

Productinformatie

MerkFORS
ModelBCDV 4000 NG
CategorieKoelkast
TaalNederlands
Grootte7856 MB